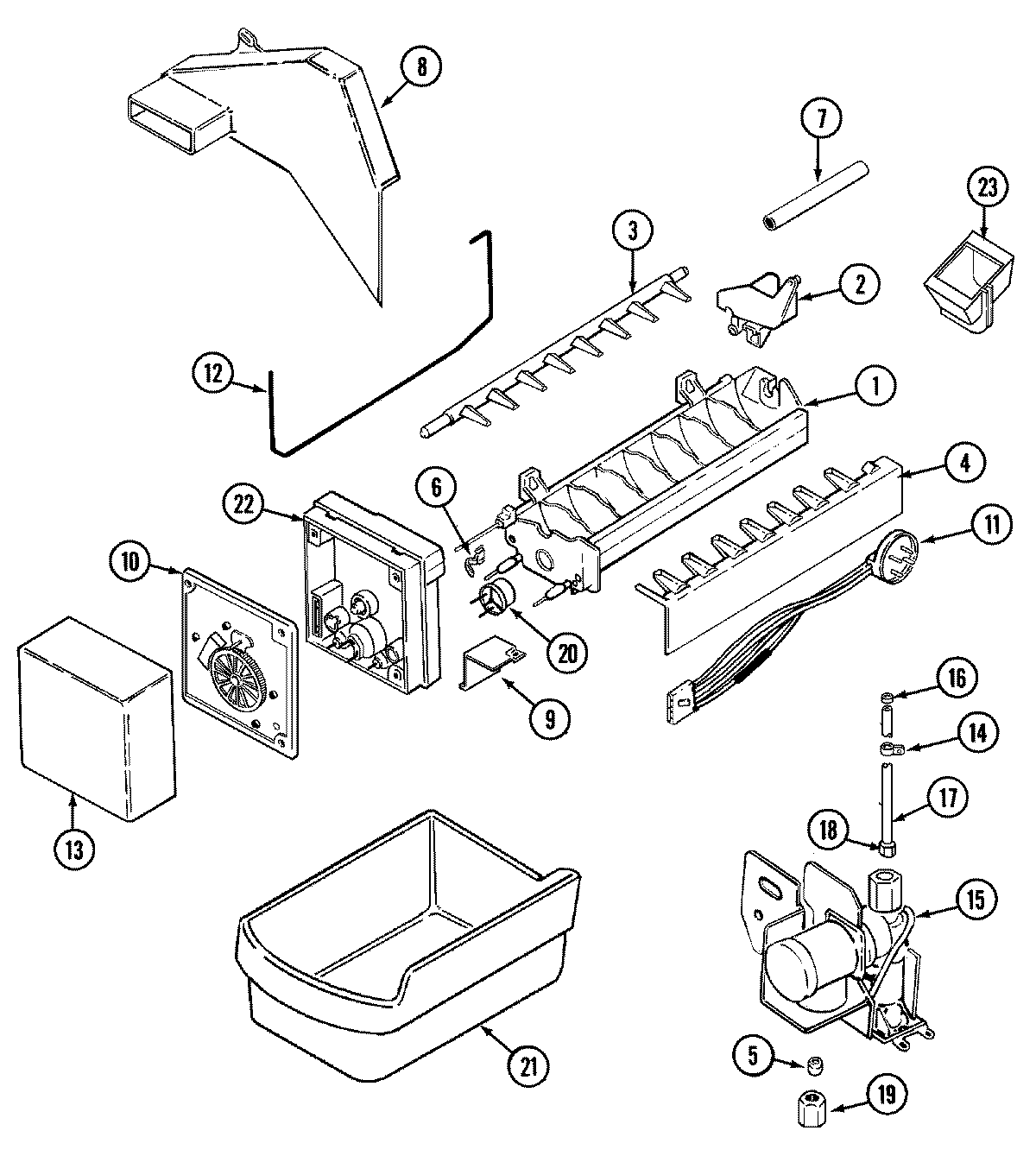
JRT1960A 07 – OPTIONAL ICE MAKER KIT (ICE)admin2025-04-26T09:09:57+00:00JRT1960A 07 – OPTIONAL ICE MAKER KIT (ICE) ProductsPositionProduct1WP99003172 Whirlpool Silicone L1D7824706Q Whirlpool Refrigerator Ice Maker Assembly2WP628356 Whirlpool Refrigerator Fill Cup3WP627843 Whirlpool Refrigerator Ejector Arm4WP2182124 Whirlpool Refrigerator Stripper Arm5WP487627 Whirlpool Refrigerator Sleeve6WP2315522 Whirlpool Refrigerator Clip7MAY 67666-87MAY 67877-18MAY 70198-18MAY 70198-38MAY 70198-29BRACKET, MODULE & HEATER9MAY 95108-110MAY 95109-110MAY 400021-111MAY 70076-112MAY 68112-113MAY 68328-214SCREW14MAY 23197-815MAY 401017-115MAY 6100101916WPM0114003 Whirlpool Microwave Speed Clip Clamp17MAY 67579-618WP627018 Whirlpool Refrigerator Nut19WP245183 Whirlpool Nut20WP627985 Whirlpool Icemaker Cycling Thermostat20MAY 95093-121WP67001255 Whirlpool Ice Bucket22SCREW22WP2195914 Whirlpool Refrigerator Ice Maker Housing23MAY 61001305