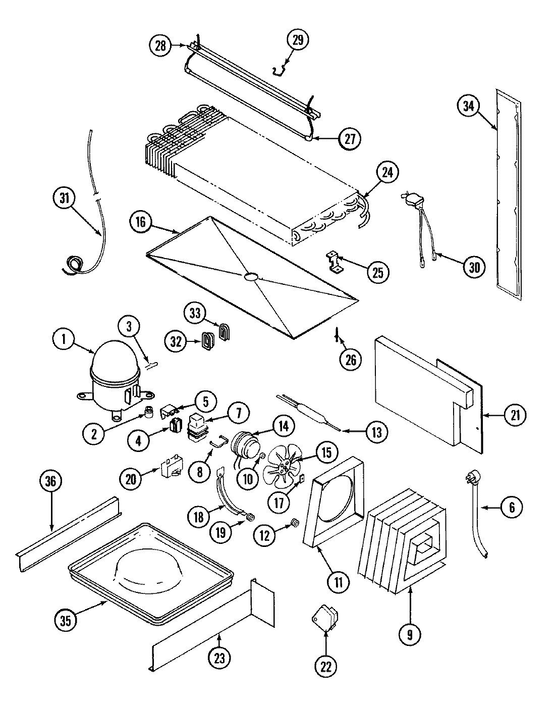
JRT2150W 09 – UNIT COMPARTMENT & SYSTEMadmin2025-04-26T09:12:06+00:00JRT2150W 09 – UNIT COMPARTMENT & SYSTEM ProductsPositionProduct1MAY 52656-21MAY RA10322MAY 17245-43MAY 52778-24WP10097202 Whirlpool Refrigerator Start Device54388953 Whirlpool Overload Relay6MAY 52890-37MAY 69754-18MAY 59596-19MAY 60434-39MAY 60408-29MAY 414001-110MAY 69063-110MAY 6100168611MAY 6100120512MAY 53351-113WPW10143759 Whirlpool Dryer Filter14MAY 65275-3314MAY 6100101614MAY 68445-115WP12587601 Whirlpool Refrigerator Condenser Blade16MAY 69118-217WP486692 Whirlpool Refrigerator Nut18MAY 69181-119MAY 56933-120WP65889-4 Whirlpool Refrigerator Capacitor21MAY 66338-421MAY 65275-522WP68233-2 Whirlpool Refrigerator Defrost Timer22MAY 405007-123MAY 66493-124MAY 69822-725MAY 60108-226MAY 26397-927WP60106-35 Whirlpool Defrost Heater Assembly28MAY 60109-529MAY 68935-130MAY 52085-3331MAY 6100104231MAY 65013-2232MAY 60068-133MAY 60069-134MAY 60177-434MAY 70169-234MAY 60110-234MAY 65275-5034MAY 6100156436WP489478 Whirlpool Refrigerator Screw36MAY 60555-236MAY 60555-137MAY 6100121238MAY 16000326