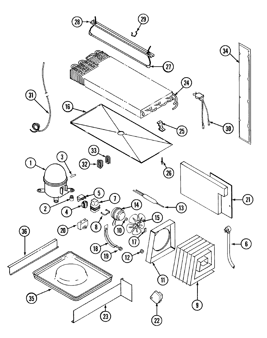
JRT2160W 09 – UNIT COMPARTMENT & SYSTEMadmin2025-04-26T09:10:11+00:00JRT2160W 09 – UNIT COMPARTMENT & SYSTEM ProductsPositionProduct1MAY 52656-21MAY RA10322MAY 17245-43MAY 52778-24WP10097202 Whirlpool Refrigerator Start Device54388953 Whirlpool Overload Relay6MAY 52890-37MAY 69754-18MAY 59596-19MAY 414001-19MAY 60434-39MAY 60408-210MAY 6100168611MAY 6100120512MAY 53351-113WPW10143759 Whirlpool Dryer Filter14MAY 6100101614MAY 65275-3315WP12587601 Whirlpool Refrigerator Condenser Blade16MAY 6100166717WP486692 Whirlpool Refrigerator Nut18MAY 69181-119MAY 56933-120WP65889-4 Whirlpool Refrigerator Capacitor21MAY 66338-421MAY 65275-522MAY 405007-122WP68233-2 Whirlpool Refrigerator Defrost Timer23MAY 66493-124MAY 69822-725MAY 60108-226MAY 26397-927WP60106-35 Whirlpool Defrost Heater Assembly28MAY 60109-529MAY 68935-130WP52085-28 Whirlpool Thermostat31MAY 65013-2231MAY 6100104232MAY 60068-133MAY 60069-134MAY 60110-234MAY 65275-5034MAY 6100156434MAY 60177-436WP489478 Whirlpool Refrigerator Screw36MAY 60555-236MAY 60555-137MAY 6100168738MAY 16000326