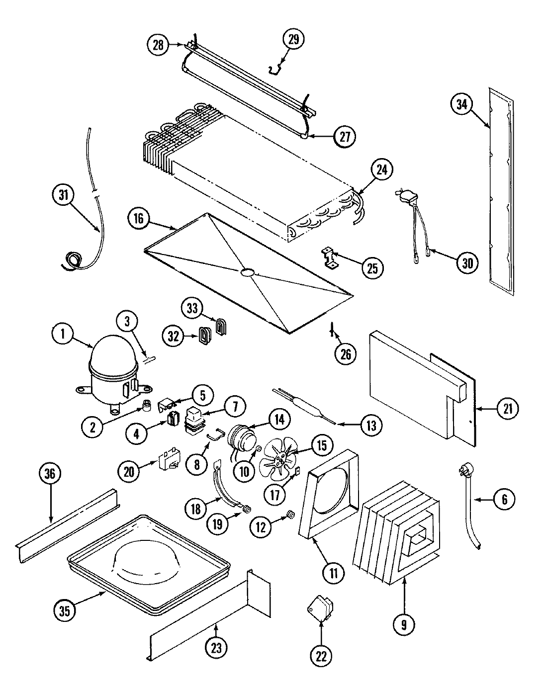
JRTD229LW 11 – UNIT COMPARTMENT & SYSTEMadmin2025-04-26T09:12:57+00:00JRTD229LW 11 – UNIT COMPARTMENT & SYSTEM ProductsPositionProduct1MAY 120000541MAY 52656-21MAY RA10322MAY 17245-43MAY 52778-24WP10097202 Whirlpool Refrigerator Start Device42154436 Whirlpool Refrigerator Start Relay54388953 Whirlpool Overload Relay5MAY 69105-76MAY 52890-37MAY 66589-27MAY 69754-18MAY 65886-18MAY 59596-19MAY 414001-19MAY 60408-29MAY 60434-310MAY 6100168611MAY 6100120512MAY 53351-113WPW10143759 Whirlpool Dryer Filter14MAY 65275-3314MAY 6100156215WP12587601 Whirlpool Refrigerator Condenser Blade16MAY 6100166817WP486692 Whirlpool Refrigerator Nut18MAY 69181-119MAY 56933-120WP65889-4 Whirlpool Refrigerator Capacitor20WPW10662129 Whirlpool Refrigerator Run Capacitor21MAY 66338-421MAY 65275-522WP68233-2 Whirlpool Refrigerator Defrost Timer22MAY 405007-123MAY 66493-124MAY 69822-825MAY 60108-226MAY 26397-927MAY 60106-3628MAY 60109-629MAY 68935-130WP52085-28 Whirlpool Thermostat31MAY 65013-2631MAY 65013-2231MAY 6100104232MAY 60068-133MAY 60069-134MAY 65275-5034MAY 60110-234MAY 6100156534MAY 60177-436MAY 60555-136MAY 60555-236WP489478 Whirlpool Refrigerator Screw37MAY 6100168738MAY 16000326