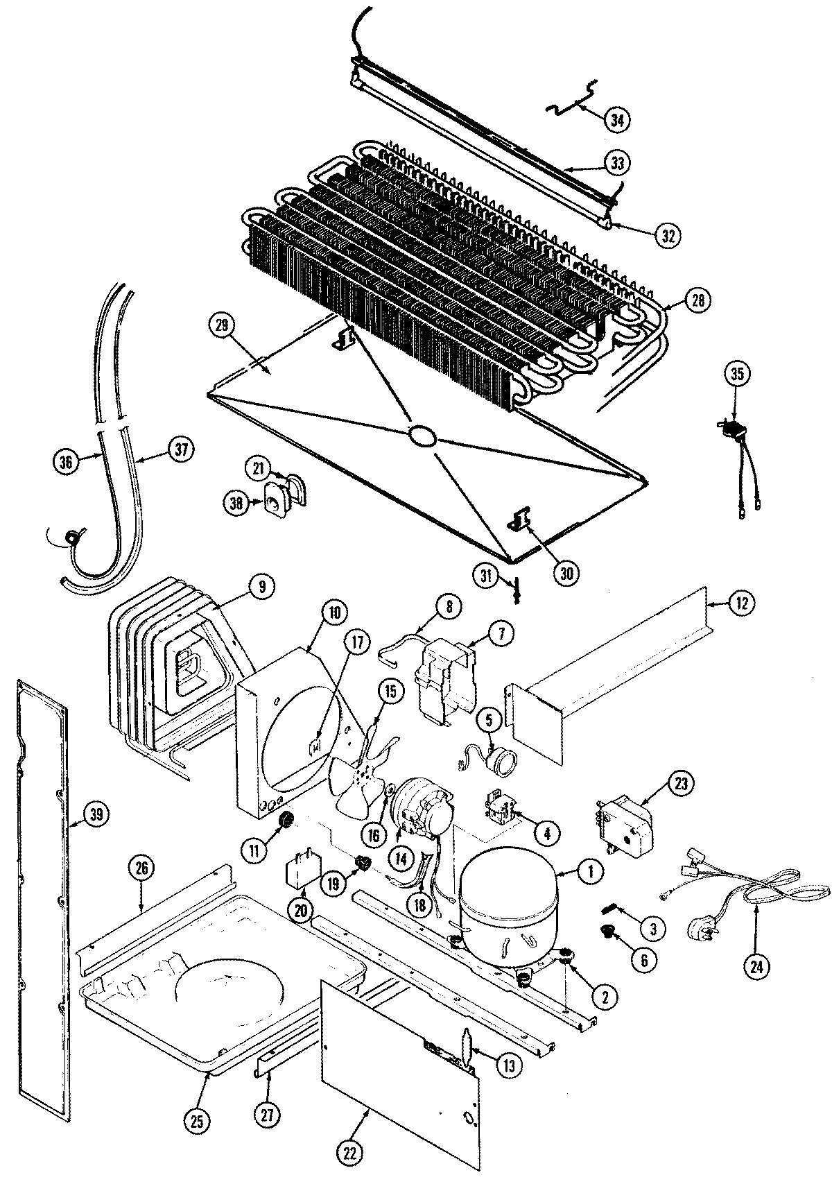
JRTDE228W 06 – UNIT COMPARTMENT & SYSTEMadmin2025-04-26T09:11:45+00:00JRTDE228W 06 – UNIT COMPARTMENT & SYSTEM ProductsPositionProduct1MAY 120000542MAY 17245-43MAY 52778-242154436 Whirlpool Refrigerator Start Relay5MAY 69105-76MAY 52656-27MAY 66589-28MAY 65886-19MAY 60434-39MAY 60408-210MAY 414001-110MAY 66228-111MAY 53351-112MAY 66493-113MAY 1390014MAY 68445-314MAY 65275-3315WP12587601 Whirlpool Refrigerator Condenser Blade16MAY 69063-117WP486692 Whirlpool Refrigerator Nut18MAY 69181-119MAY 56933-120WPW10662129 Whirlpool Refrigerator Run Capacitor21MAY 60069-122WP488729 Whirlpool Refrigerator Door Screw22MAY 66338-423MAY 405007-123WP68233-2 Whirlpool Refrigerator Defrost Timer24MAY 52890-326MAY 60555-127MAY 60555-227WP489478 Whirlpool Refrigerator Screw28MAY 69822-829MAY 69118-330MAY 60108-231MAY 26397-932MAY 60106-3633MAY 60109-634MAY 68935-135MAY 52085-3336MAY 65013-437MAY 66223-137MAY 68186-138MAY 60068-139MAY 60110-239MAY 60177-439MAY 65275-5039MAY 70165-140MAY 1600032640MAY 109269-1