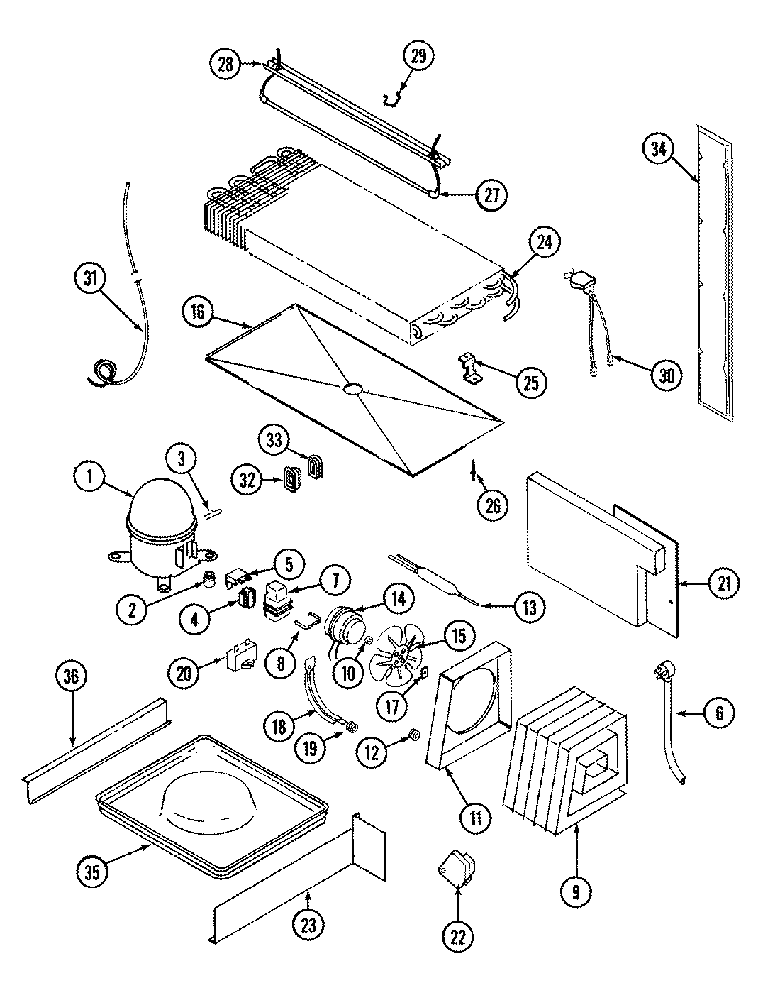
JRTDE229A 11 – UNIT COMPARTMENT & SYSTEMadmin2025-04-26T09:12:24+00:00JRTDE229A 11 – UNIT COMPARTMENT & SYSTEM ProductsPositionProduct1MAY 120000541MAY 52656-22MAY 17245-43MAY 52778-242154436 Whirlpool Refrigerator Start Relay5MAY 69105-76MAY 52890-37MAY 66589-28MAY 65886-19MAY 414001-19MAY 60434-39MAY 60408-210MAY 69063-110MAY 6100168611MAY 6100120512MAY 53351-113WPW10143759 Whirlpool Dryer Filter14MAY 65275-3314MAY 6100156214MAY 68445-315WP12587601 Whirlpool Refrigerator Condenser Blade16MAY 69118-317WP486692 Whirlpool Refrigerator Nut18MAY 69181-119MAY 56933-120WPW10662129 Whirlpool Refrigerator Run Capacitor21MAY 66338-421WP488729 Whirlpool Refrigerator Door Screw22WP68233-2 Whirlpool Refrigerator Defrost Timer22MAY 405007-123MAY 66493-124MAY 69822-825MAY 60108-226MAY 26397-927MAY 60106-3628MAY 60109-629MAY 68935-130MAY 52085-3331MAY 6100104231MAY 65013-2632MAY 60068-133MAY 60069-134MAY 70165-134MAY 6100156534MAY 65275-5034MAY 60110-234MAY 60177-436WP489478 Whirlpool Refrigerator Screw36MAY 60555-136MAY 60555-237MAY 6100121238MAY 16000326