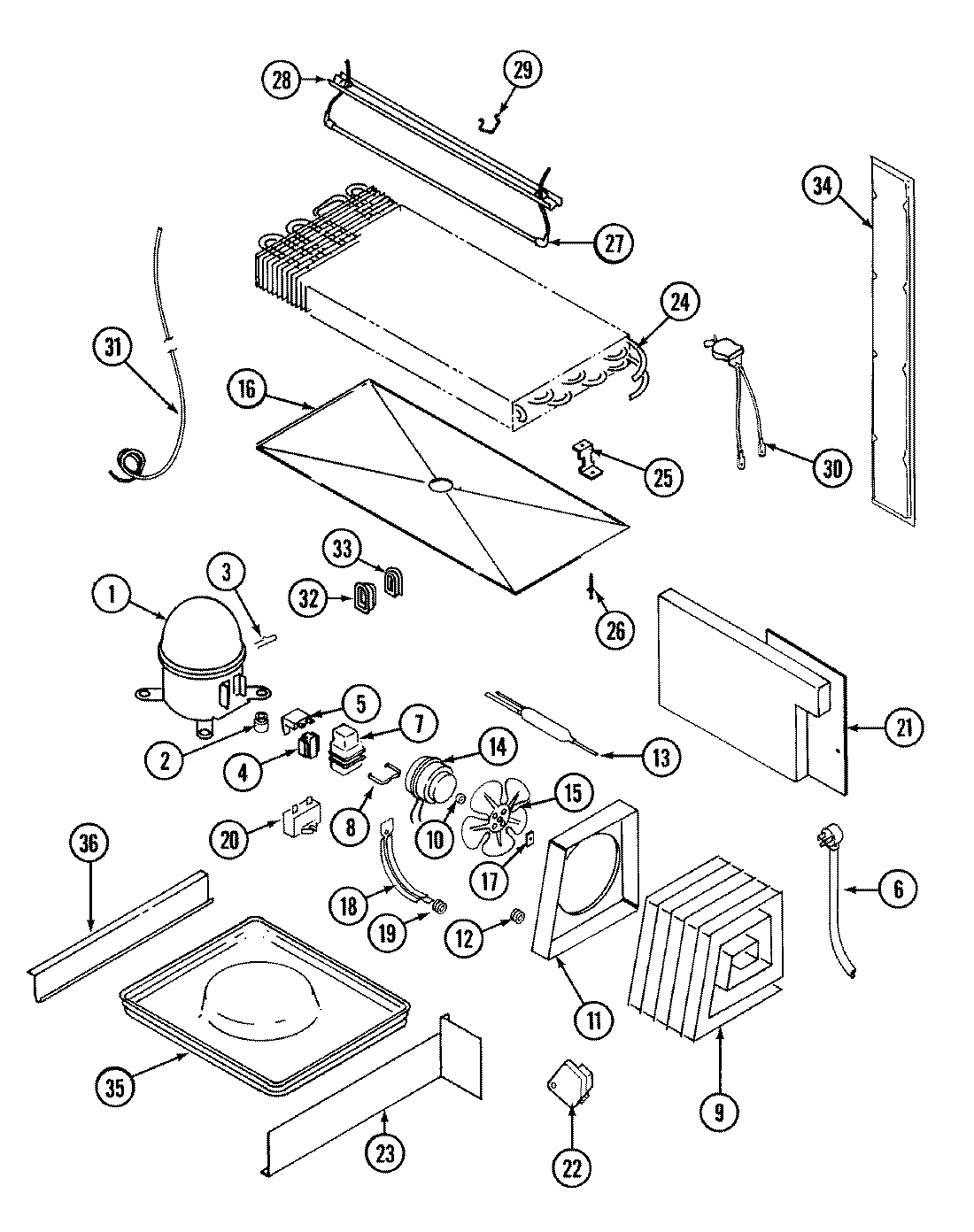
JRTDE229LB 10 – UNIT COMPARTMENT & SYSTEMadmin2025-04-26T09:13:42+00:00JRTDE229LB 10 – UNIT COMPARTMENT & SYSTEM ProductsPositionProduct1MAY 52656-21MAY 120000542MAY 17245-43MAY 52778-242154436 Whirlpool Refrigerator Start Relay5MAY 69105-76MAY 52890-37MAY 66589-28MAY 65886-19MAY 60434-39MAY 60408-29MAY 414001-110MAY 69063-111MAY 6100120512MAY 53351-113MAY 1390014MAY 68445-314MAY 6100156214MAY 65275-3315WP12587601 Whirlpool Refrigerator Condenser Blade16MAY 69118-317WP486692 Whirlpool Refrigerator Nut18MAY 69181-119MAY 56933-120WPW10662129 Whirlpool Refrigerator Run Capacitor21MAY 66338-421WP488729 Whirlpool Refrigerator Door Screw22WP68233-2 Whirlpool Refrigerator Defrost Timer22MAY 405007-123MAY 66493-124MAY 69822-825MAY 60108-226MAY 26397-927MAY 60106-3628MAY 60109-629MAY 68935-130MAY 52085-3331MAY 65013-2631MAY 6100104232MAY 60068-133MAY 60069-134MAY 70165-134MAY 6100156534MAY 65275-5034MAY 60110-234MAY 60177-436WP489478 Whirlpool Refrigerator Screw36MAY 60555-236MAY 60555-137MAY 1600032637MAY 61001212