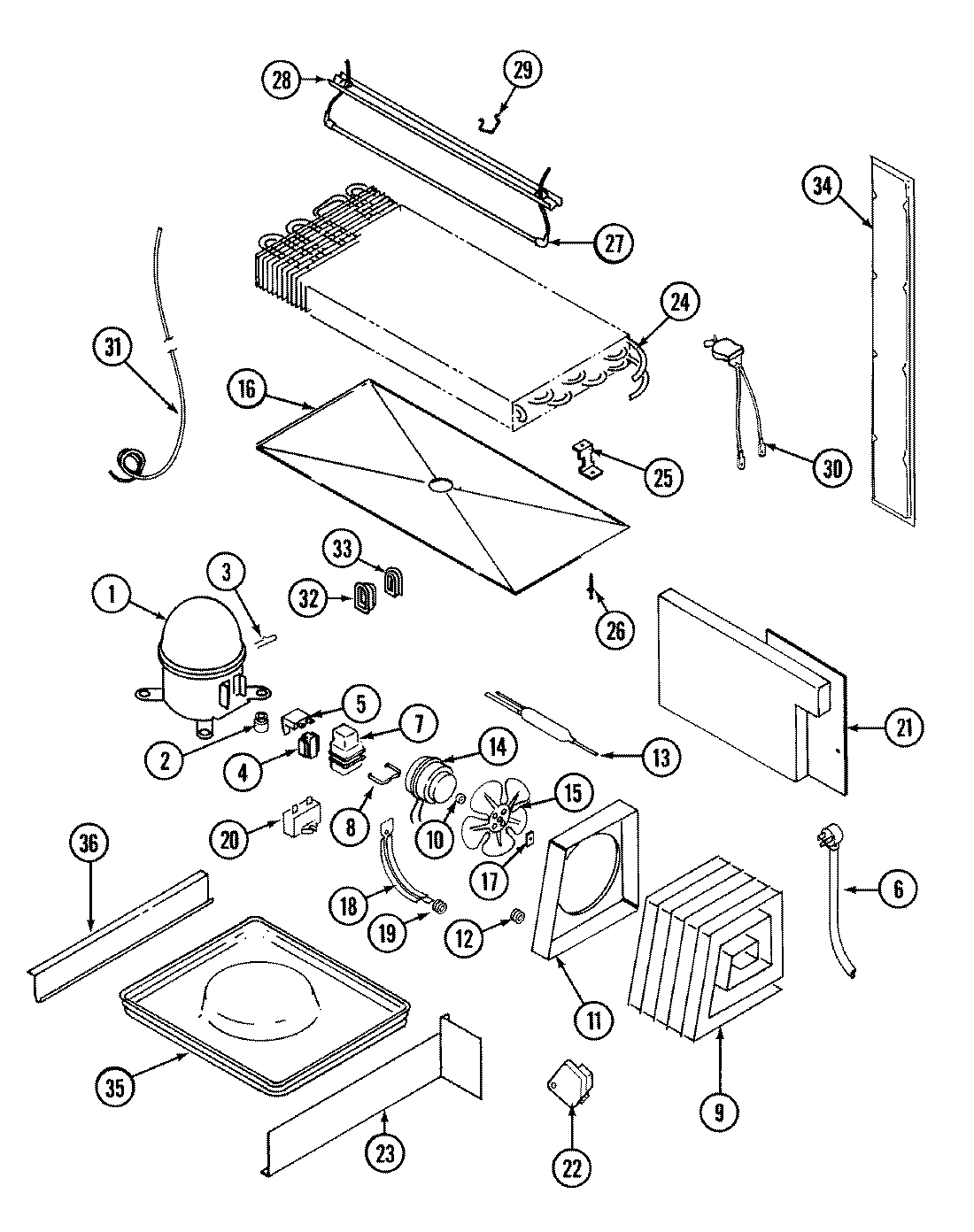
JRTDE229W 11 – UNIT COMPARTMENT & SYSTEM