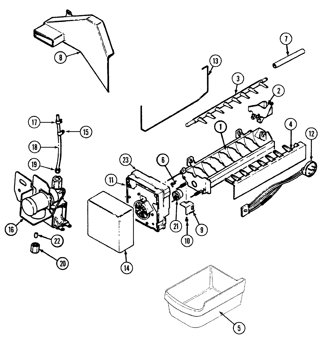
JRTE198W 03 – OPTIONAL ICE MAKER KIT-ICEadmin2025-04-26T09:12:12+00:00JRTE198W 03 – OPTIONAL ICE MAKER KIT-ICE ProductsPositionProduct1D7824706Q Whirlpool Refrigerator Ice Maker Assembly1WP99003172 Whirlpool Silicone L2WP628356 Whirlpool Refrigerator Fill Cup3WP627843 Whirlpool Refrigerator Ejector Arm4WP2182124 Whirlpool Refrigerator Stripper Arm5WP67001255 Whirlpool Ice Bucket6WP2315522 Whirlpool Refrigerator Clip7MAY 67666-88MAY 70198-18MAY 70198-38MAY 70198-29BRACKET, MODULE & HEATER10MAY 95108-111MAY 95109-111MAY 400021-112MAY 70076-113MAY 68112-114MAY 68328-215SCREW15MAY 23197-816MAY 401017-116MAY 6100101917WPM0114003 Whirlpool Microwave Speed Clip Clamp18MAY 67579-619WP627018 Whirlpool Refrigerator Nut20WP245183 Whirlpool Nut21WP627985 Whirlpool Icemaker Cycling Thermostat21MAY 95093-122WP487627 Whirlpool Refrigerator Sleeve23SCREW23WP2195914 Whirlpool Refrigerator Ice Maker Housing