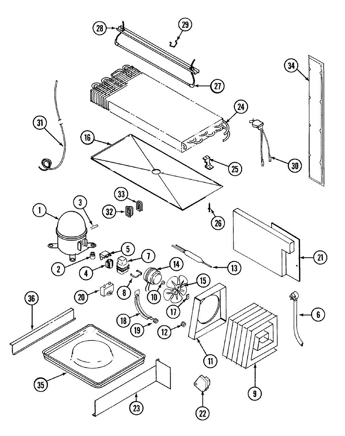
JRTE199A 09 – UNIT COMPARTMENT & SYSTEM