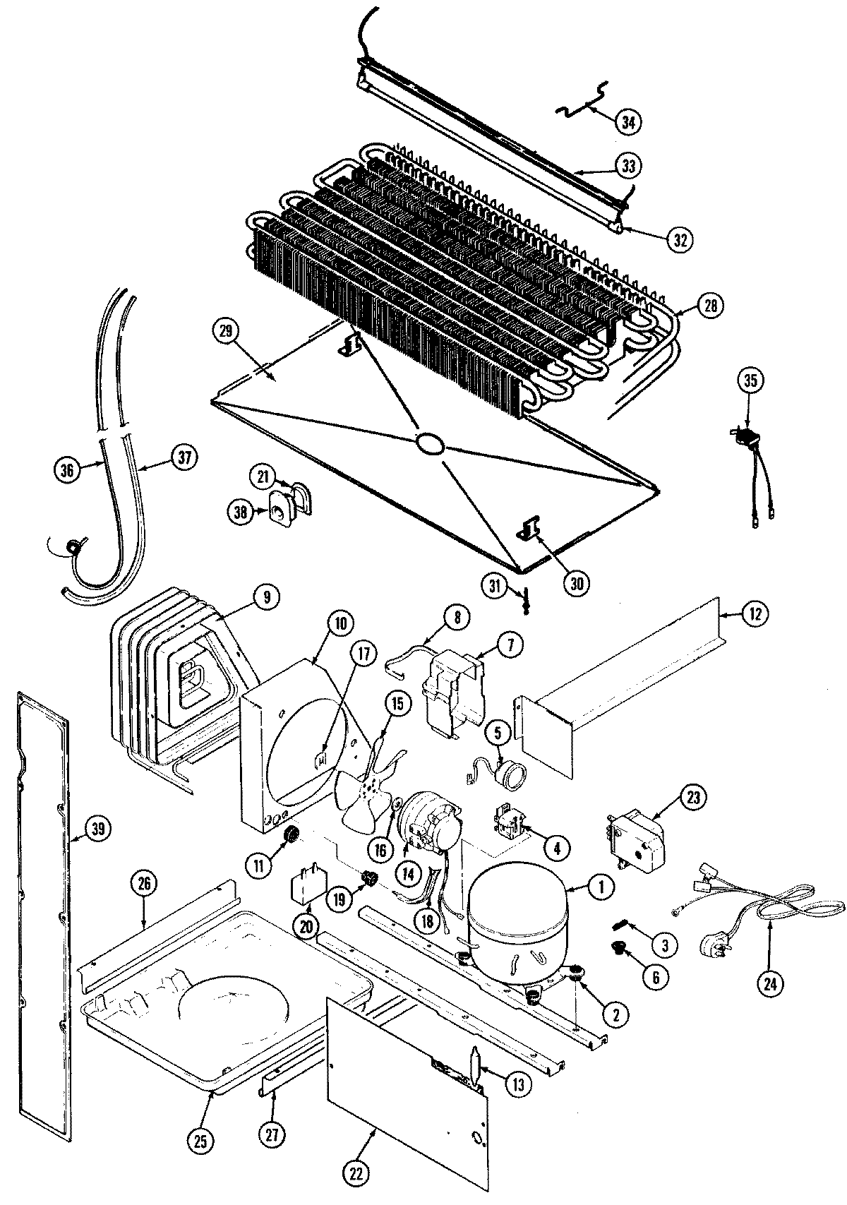
JRTE218W 07 – UNIT COMPARTMENT & SYSTEMadmin2025-04-26T09:14:44+00:00JRTE218W 07 – UNIT COMPARTMENT & SYSTEM ProductsPositionProduct1MAY 120000562MAY 17245-43MAY 52778-24WP10097202 Whirlpool Refrigerator Start Device54388953 Whirlpool Overload Relay6MAY 52656-27MAY 69754-18MAY 59596-19MAY 60434-39MAY 60408-210MAY 414001-110MAY 66228-111MAY 53351-112MAY 66493-113MAY 1390014MAY 65275-3314MAY 68445-315WP12587601 Whirlpool Refrigerator Condenser Blade16MAY 69063-117WP486692 Whirlpool Refrigerator Nut18MAY 69181-119MAY 56933-120WP65889-4 Whirlpool Refrigerator Capacitor21MAY 60069-122MAY 66338-422WP488729 Whirlpool Refrigerator Door Screw23WP68233-2 Whirlpool Refrigerator Defrost Timer23MAY 405007-124MAY 52890-326MAY 60555-127WP489478 Whirlpool Refrigerator Screw27MAY 60555-228MAY 69822-729MAY 69118-230MAY 60108-231MAY 26397-932WP60106-35 Whirlpool Defrost Heater Assembly33MAY 60109-534MAY 68935-135MAY 52085-3336MAY 65013-2237MAY 68186-137MAY 66223-138MAY 60068-139MAY 70169-239MAY 60110-239MAY 60177-439MAY 65275-5040MAY 108435-341MAY 16000326