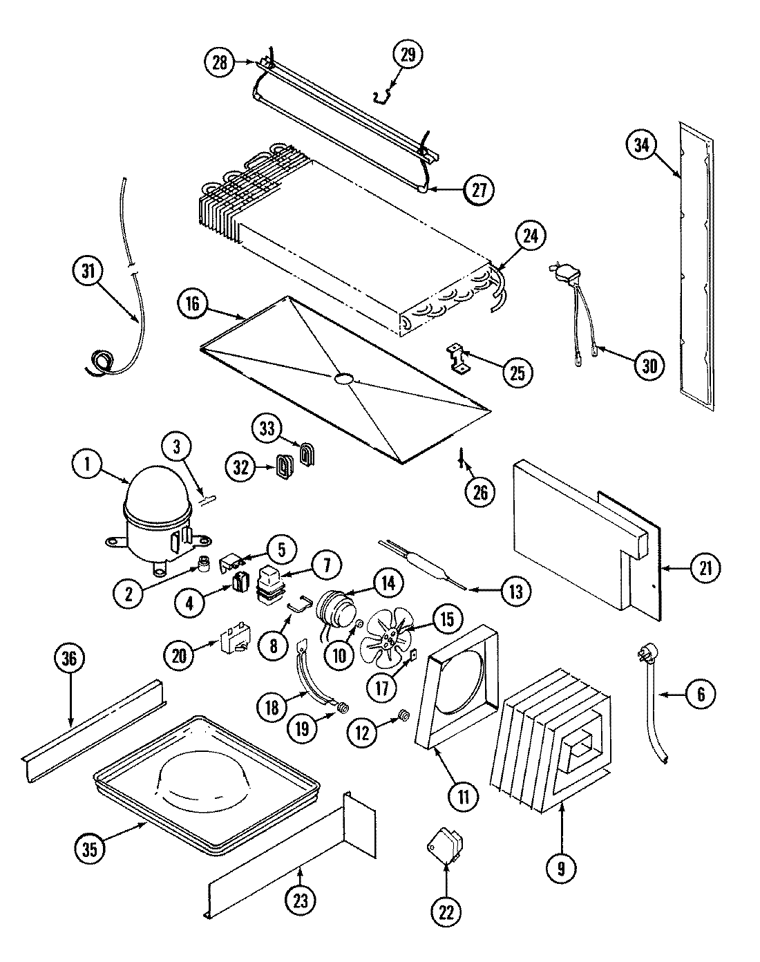
JRTE219B 09 – UNIT COMPARTMENT & SYSTEMadmin2025-04-26T09:13:31+00:00JRTE219B 09 – UNIT COMPARTMENT & SYSTEM ProductsPositionProduct1MAY 52656-21MAY 120000562MAY 17245-43MAY 52778-24WP10097202 Whirlpool Refrigerator Start Device54388953 Whirlpool Overload Relay6MAY 52890-37MAY 69754-18MAY 59596-19MAY 60434-39MAY 414001-19MAY 60408-210MAY 69063-110MAY 6100168611MAY 6100120512MAY 53351-113WPW10143759 Whirlpool Dryer Filter14MAY 65275-3314MAY 6100101614MAY 68445-115WP12587601 Whirlpool Refrigerator Condenser Blade16MAY 69118-217WP486692 Whirlpool Refrigerator Nut18MAY 69181-119MAY 56933-120WP65889-4 Whirlpool Refrigerator Capacitor21MAY 66338-421MAY 65275-522MAY 405007-122WP68233-2 Whirlpool Refrigerator Defrost Timer23MAY 66493-124MAY 69822-725MAY 60108-226MAY 26397-927WP60106-35 Whirlpool Defrost Heater Assembly28MAY 60109-529MAY 68935-130MAY 52085-3331MAY 6100104231MAY 65013-2232MAY 60068-133MAY 60069-134MAY 60110-234MAY 70169-234MAY 60177-434MAY 6100156434MAY 65275-5036WP489478 Whirlpool Refrigerator Screw36MAY 60555-236MAY 60555-137MAY 6100121238MAY 16000326