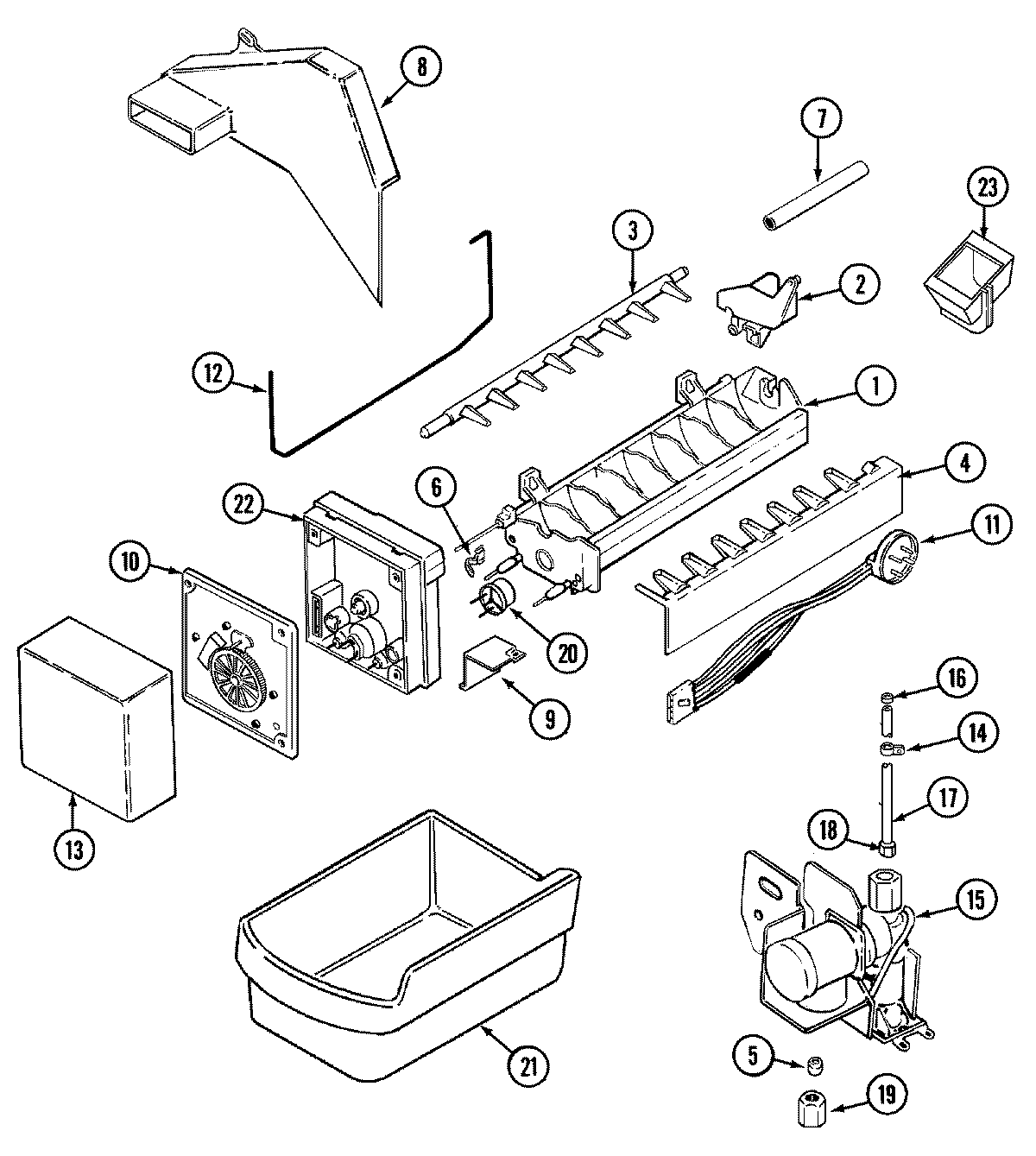
JRTF1960A 07 – ICE MAKER