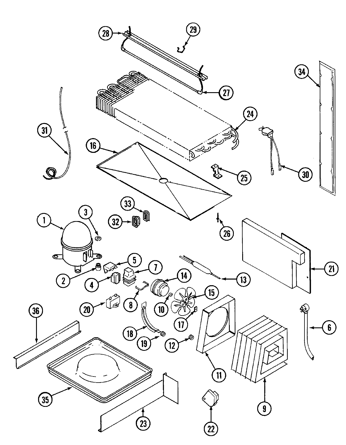
JRTF1960A 09 – UNIT COMPARTMENT & SYSTEM