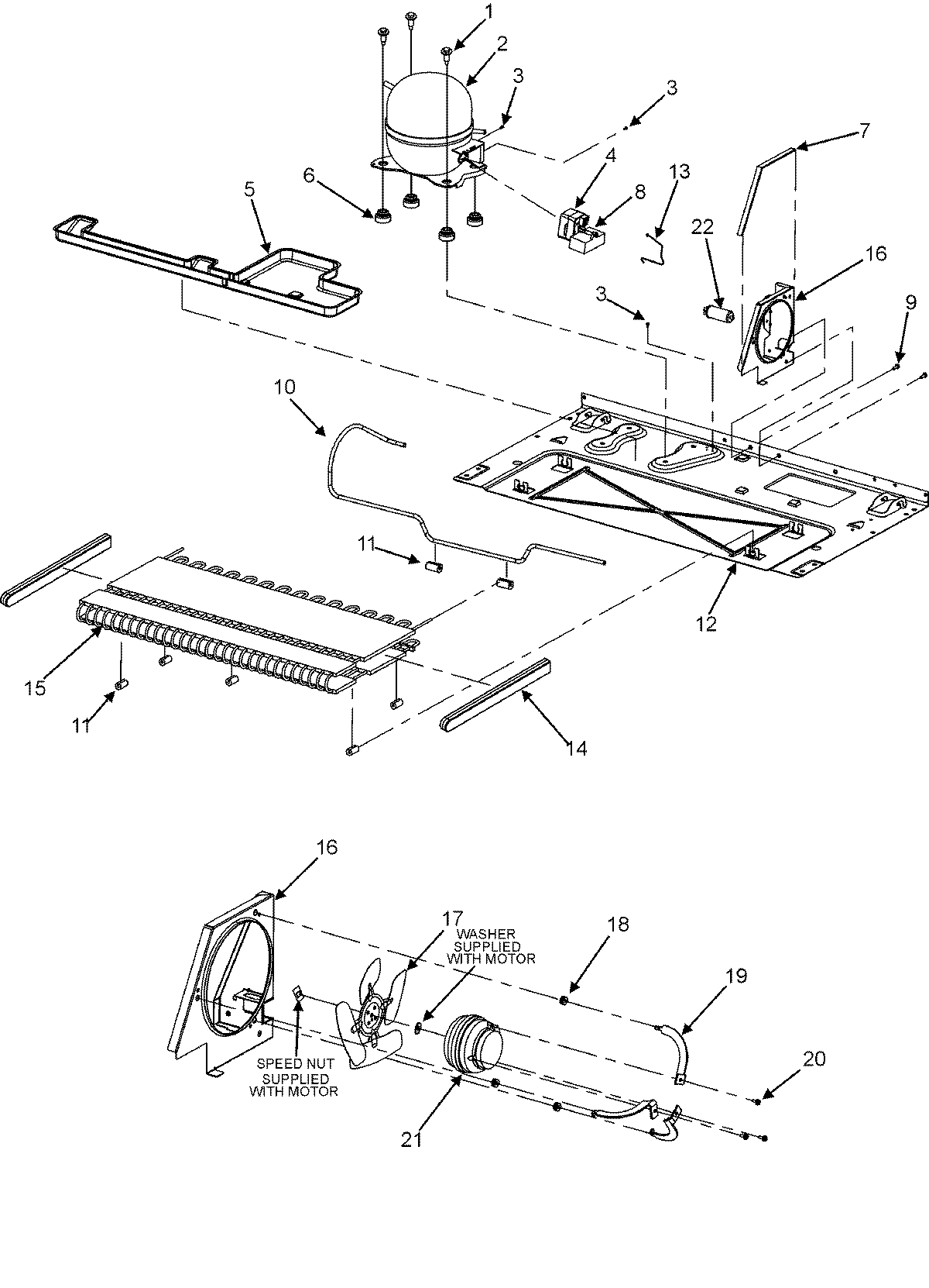
JS2628HEKB 02 – COMPRESSORadmin2025-04-26T09:13:48+00:00JS2628HEKB 02 – COMPRESSOR ProductsPositionProduct1MAY 670037902W10309997 Whirlpool Refrigerator Compressor3MAY M02316044MAY 670048155MAY 67004744667003493 Whirlpool Refrigerator Compressor Grommet7WP854334 Whirlpool Air Conditioner Sealing Strip8MAY 670028159MAY M023861610MAY 670047001167005680 Whirlpool Refrigerator Condenser Grommet12MAY 6700560413MAY 6700468714MAY 6700223515WP67006131 Whirlpool Refrigerator Condenser16MAY 1268710117WP12587601 Whirlpool Refrigerator Condenser Blade18GROMMET, BRACKET19Bracket, Motor (3)20Screw (3)21Motor, Condenser22MAY 6700506223MAY 67005796