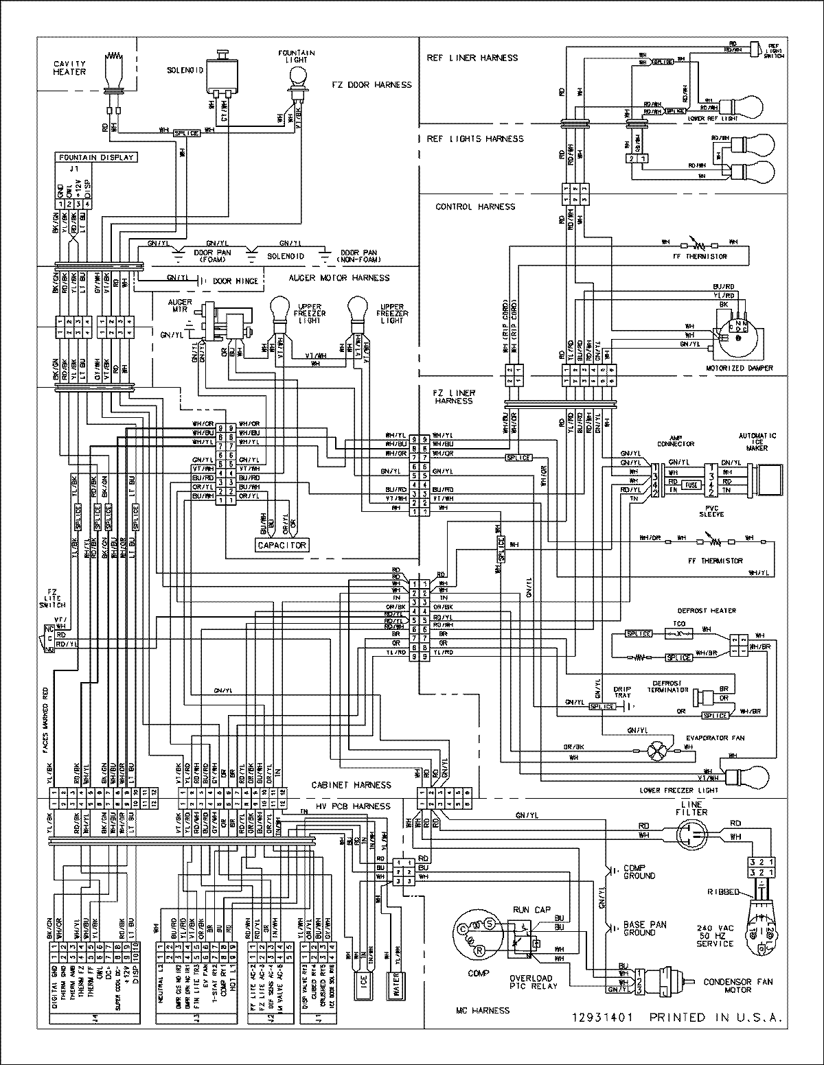
JS2628HEKB 17 – WIRING INFORMATIONadmin2025-04-26T09:12:44+00:00JS2628HEKB 17 – WIRING INFORMATION ProductsPositionProductNIMAY 15003727