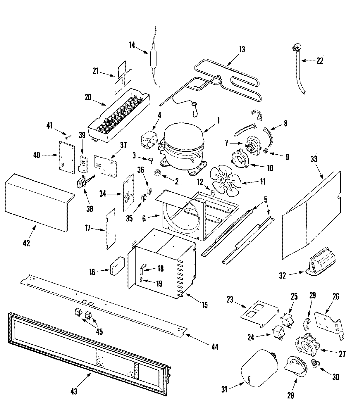
JS42CSFXDA 03 – COMPRESSORadmin2025-04-26T09:12:23+00:00JS42CSFXDA 03 – COMPRESSOR ProductsPositionProduct1MAY 670013331MAY 120019662WP4387558 Whirlpool Refrigerator Compressor Grommet3MAY 52656-24WP61002138 Whirlpool Refrigerator Terminal Cover5MAY 670013345WP489478 Whirlpool Refrigerator Screw6MAY 670013357MAY 610053237WP90767 Whirlpool Screw8MAY 610014149GROMMET, BRACKET10MAY 6100532510MAY 6700133611MAY 60683-112WP486692 Whirlpool Refrigerator Nut13MAY 6700189414WPW10143759 Whirlpool Dryer Filter15MAY 6700133816MAY 6700133917MAY 6700134018MAY 6700134119MAY 6700134219MAY 65275-3320MAY 6700134320MAY 6700134421MAY 6700134522MAY 6700134623MAY 6700134725MAY 6700134826MAY 6700135026MAY 6700134927MAY 6700135228MAY 6100379129MAY 6700135130MAY 6100370531MAY UKF7002AXX32MAY 6700135332MAY 6700190433MAY 6700135434MAY 6700135535MAY 6700135636MAY 670013573712002799 Whirlpool Refrigerator Electronic Control Board38MAY 6700135939WP67001360 Whirlpool Power Supply Control Board40MAY 6700136141MAY 6700152842MAY 6700136243MAY 6700213944MAY 6700183844MAY 6100281945MAY 6700136846MAY 6700136346MAY 6700136446MAY 6700136546MAY 6700136646MAY 67001541