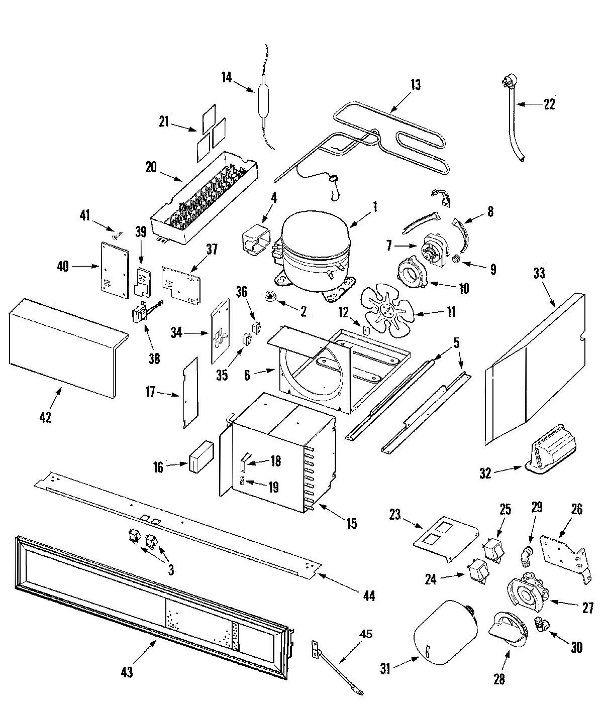
JS42PPDBDA 03 – COMPRESSORadmin2025-04-26T09:13:03+00:00JS42PPDBDA 03 – COMPRESSOR ProductsPositionProduct1MAY 120024571MAY 670013332WP4387558 Whirlpool Refrigerator Compressor Grommet3MAY 670013683MAY 670025384WP61002138 Whirlpool Refrigerator Terminal Cover5WP489478 Whirlpool Refrigerator Screw5MAY 670013346MAY 670013357WP90767 Whirlpool Screw7MAY 610053238MAY 610014149GROMMET, BRACKET10MAY 6100532510MAY 6700133611MAY 60683-112WP486692 Whirlpool Refrigerator Nut13MAY 6700189414WPW10143759 Whirlpool Dryer Filter15MAY 6700133816MAY 6700133917MAY 6700134018MAY 6700134119MAY 6700134219MAY 65275-3320MAY 6700134321MAY 6700253422MAY 6700253523MAY 6700134725MAY 6700319826MAY 6700134926MAY 6700135027MAY 6700135228MAY 6100379130MAY 6700135131MAY UKF7003AXX32MAY 6700190432MAY 6700135333MAY 6700135434MAY 6700135535MAY 6700135636MAY 670013573712002799 Whirlpool Refrigerator Electronic Control Board38MAY 6700135939WP67001360 Whirlpool Power Supply Control Board40MAY 6700336341MAY 6700152842MAY 6700136243MAY 6700215144MAY 6100281944MAY 6700183845MAY 6700136445MAY 6700154145MAY 6700136645MAY 6700136545MAY 67001363