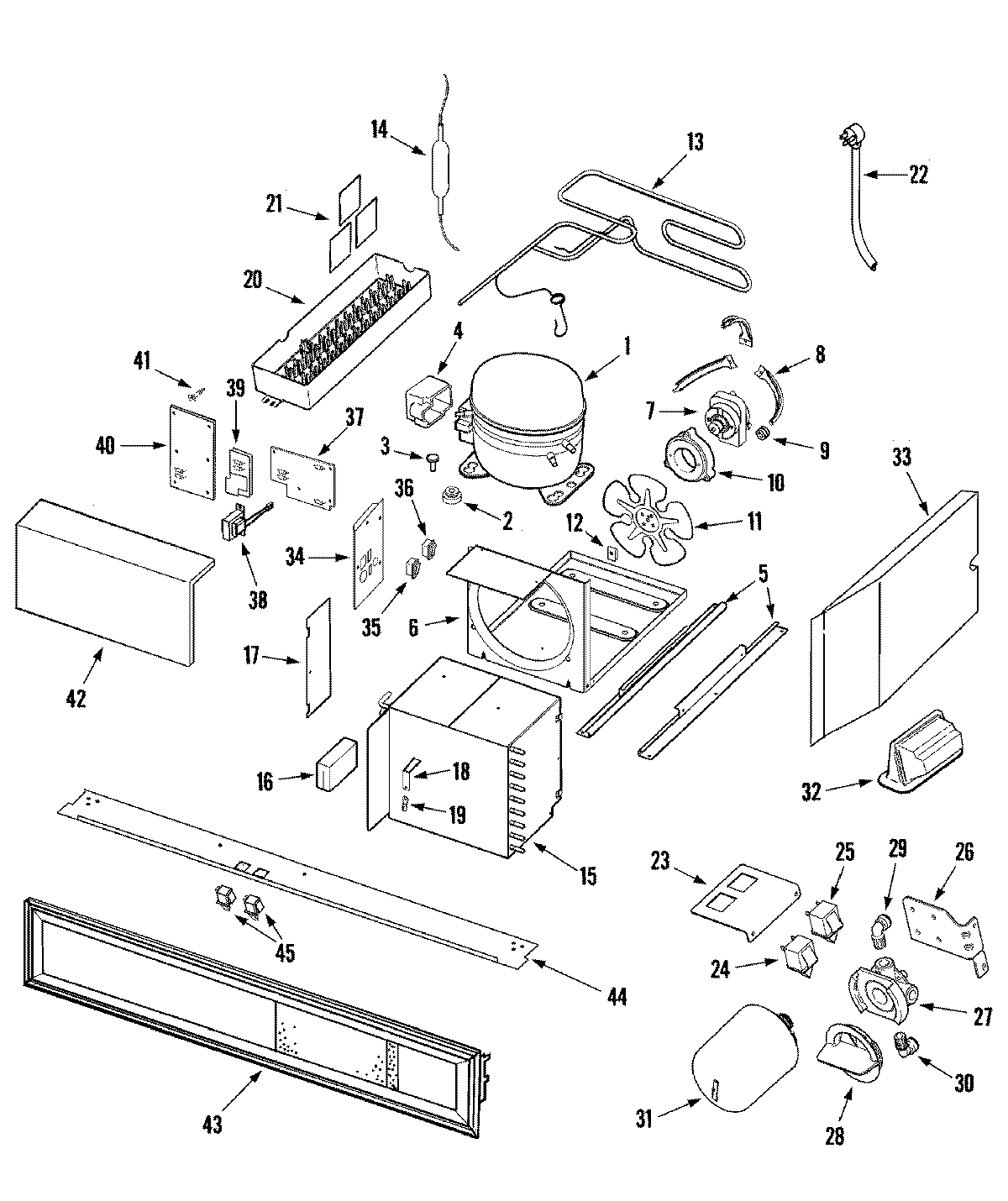
JS48CSDWFA 03 – COMPRESSOR