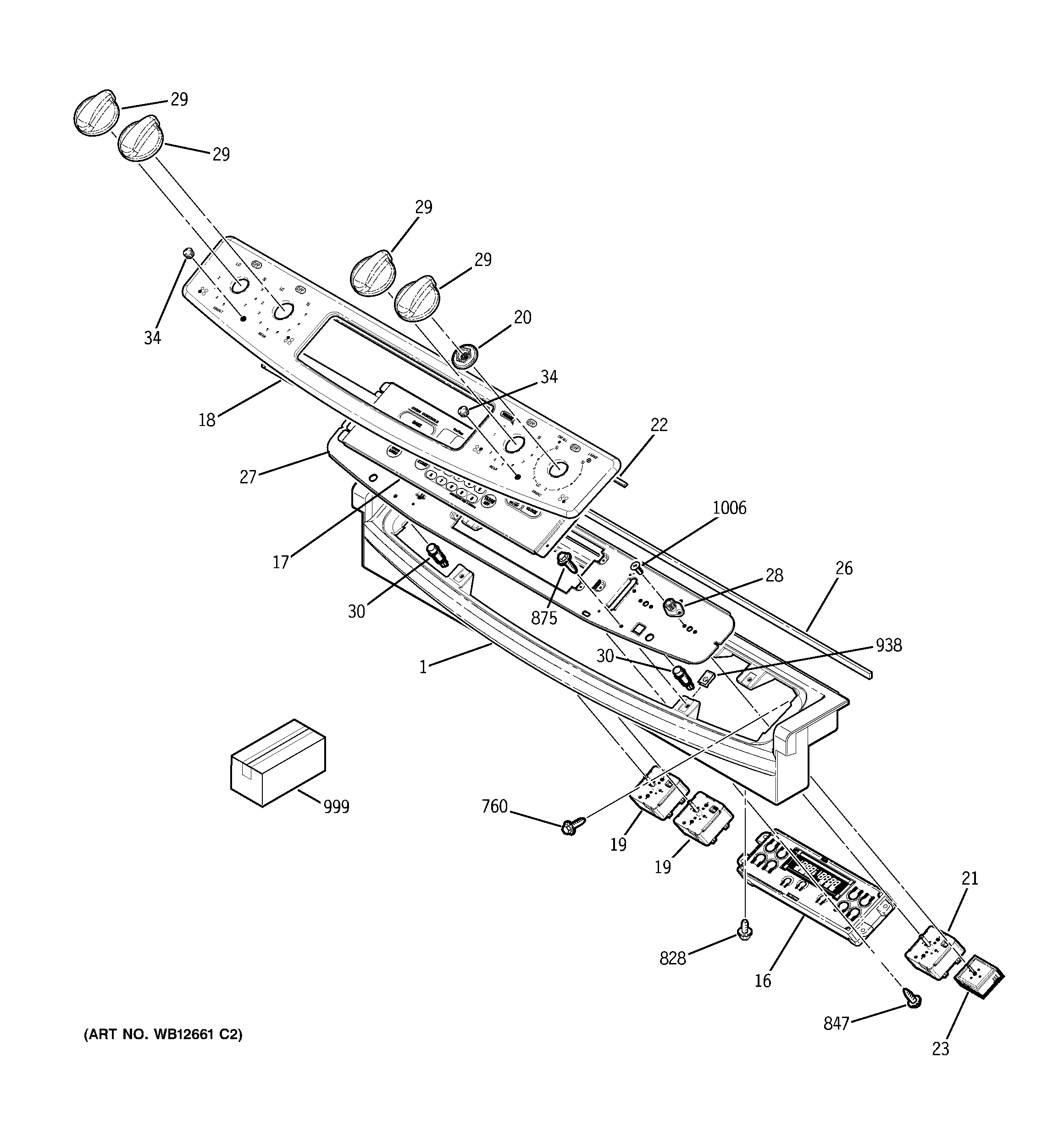
| 1 | WB36T10667 GE Oven Control Panel Assembly |
| 16 | WB27T10416 GE Oven Control ERC3B |
| 17 | GEN WB27T10762 |
| 18 | GEN WB27T10763 |
| 19 | WB24T10026 GE Oven Infinite Control Switch (2000W) |
| 20 | WB02T10046 GE Oven Crystal Retainer |
| 20 | GEN WB02K5238 |
| 21 | WB24T10012 GE Oven Infinite Switch |
| 22 | WB02X10744 GE Oven Gasket Faceplate |
| 23 | WB24T10063 GE Range Cooktop Infinite Burner Switch |
| 26 | WB02X10742 GE Oven Control Panel Gasket |
| 27 | GEN WB36T10568 |
| 28 | WB02T10047 GE Oven Crystal Mount Assembly |
| 29 | GEN WB03T10095 |
| 30 | GEN WB25T10048 |
| 34 | WB25T10022 GE Oven Snap-In Lens |
| 760 | WB1X536 GE Oven Screw |
| 828 | WB1X1141 GE Oven Screw 8-32 |
| 847 | WB1X1118 GE Oven Screw 6-32T |
| 875 | WH2X930 GE Screw |
| 938 | WB1K5209 GE Oven Clip |
| 999 | GEN 31-10621 |
| 999 | GEN 31-14346 |
| 999 | PM10X310 GE Cerama Bryte Cooktop Cleaner |
| 999 | GEN 49-80373 |
| 1006 | WB01T10053 GE Oven 8-32 TPT FLR Screw |