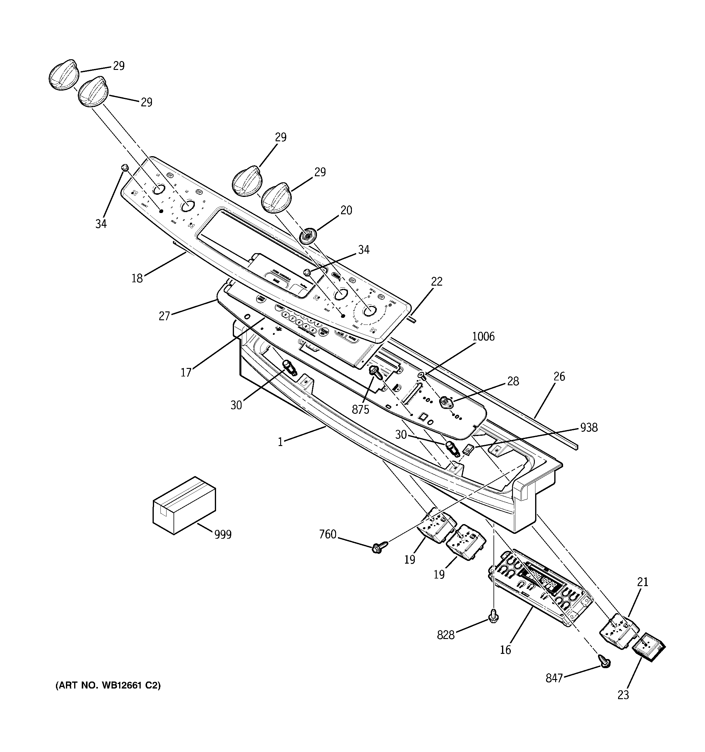
JS900SK3SS CONTROL PANEL