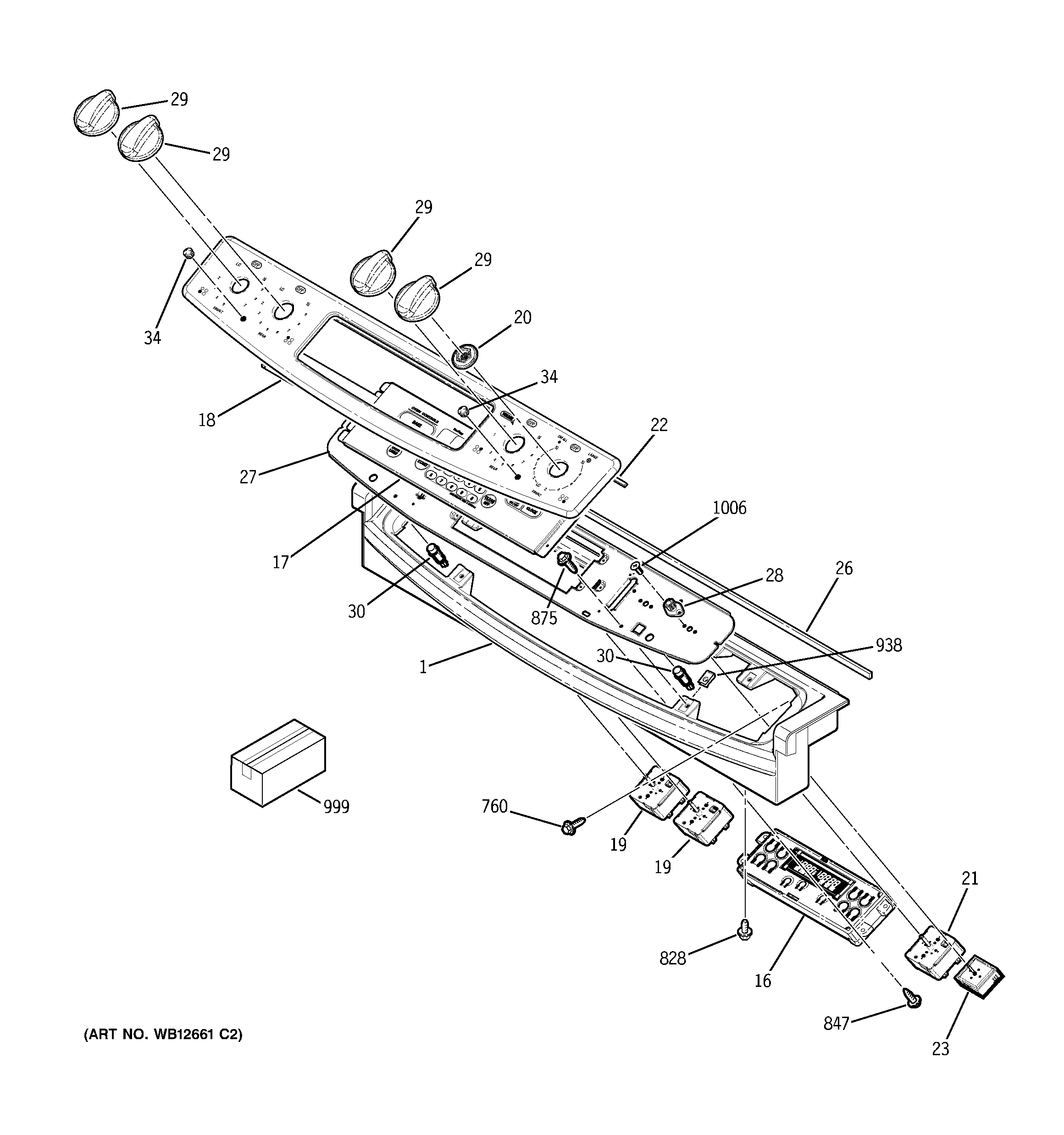
JS900WK2WW CONTROL PANEL