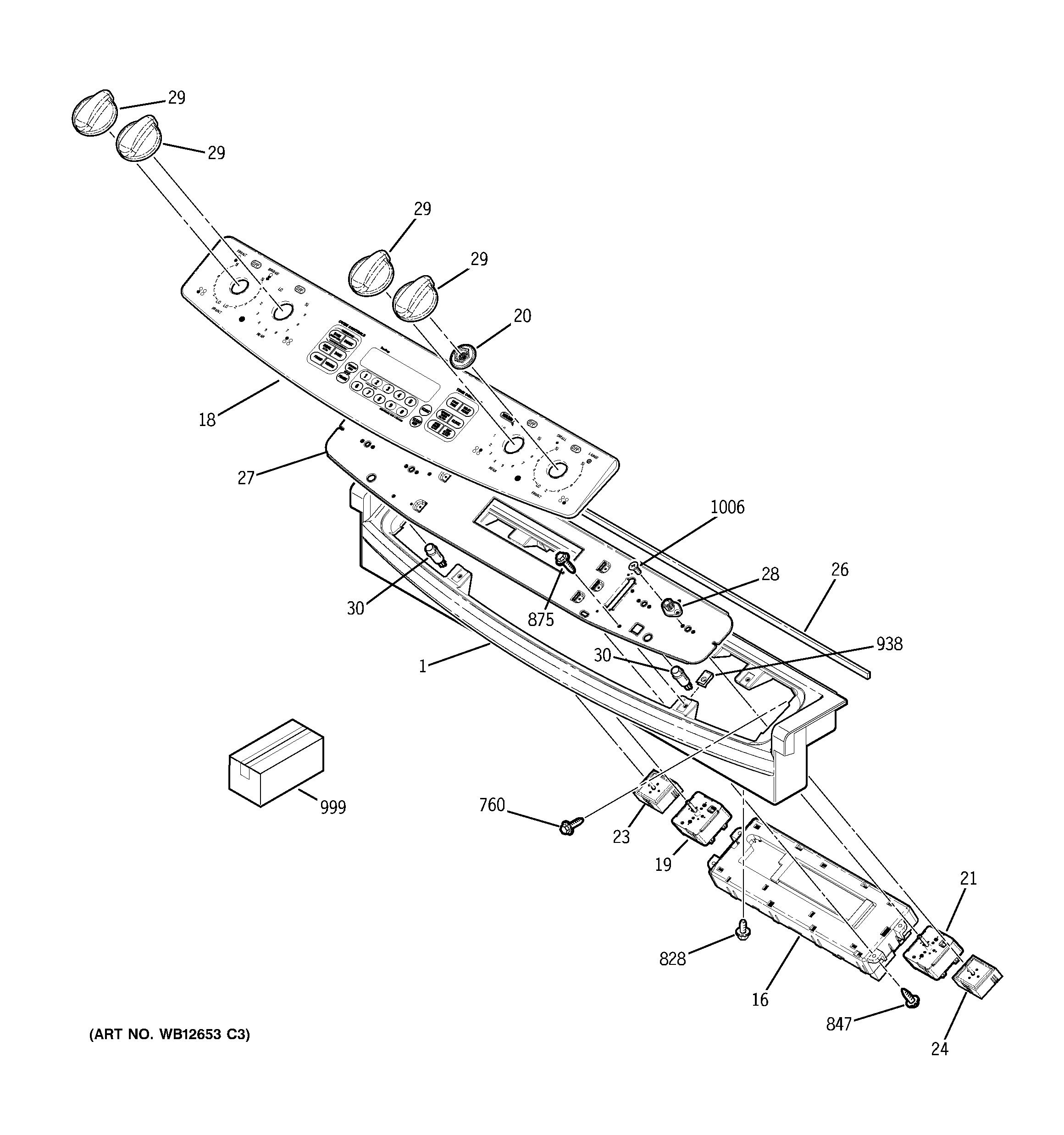
JS968BK1BB CONTROL PANEL