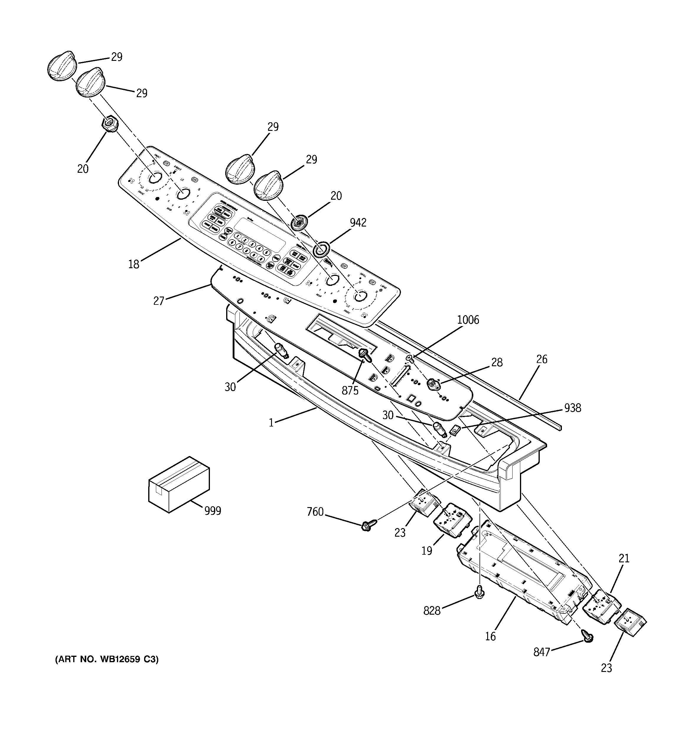
JS968SF6SS CONTROL PANEL