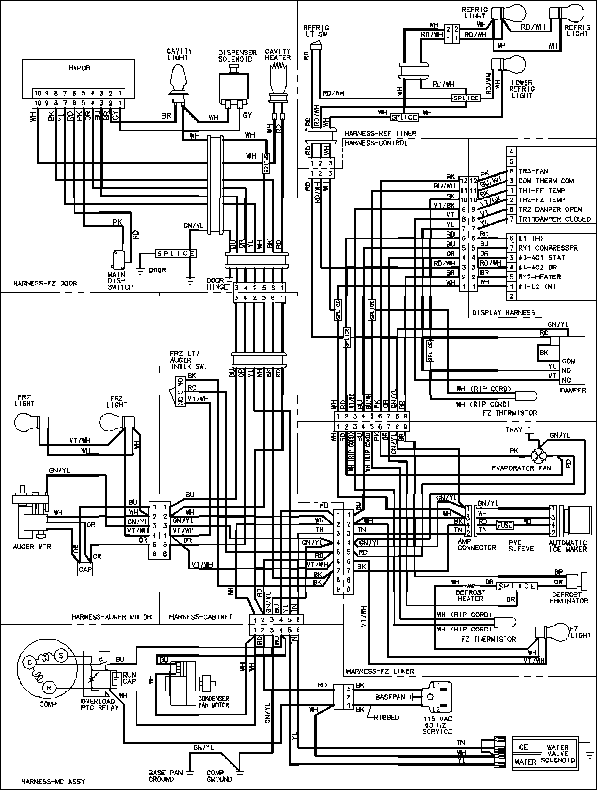
JSD2690HES 19 – WIRING INFORMATIONadmin2025-04-26T09:14:19+00:00JSD2690HES 19 – WIRING INFORMATION ProductsPositionProductNIMAY 15003598