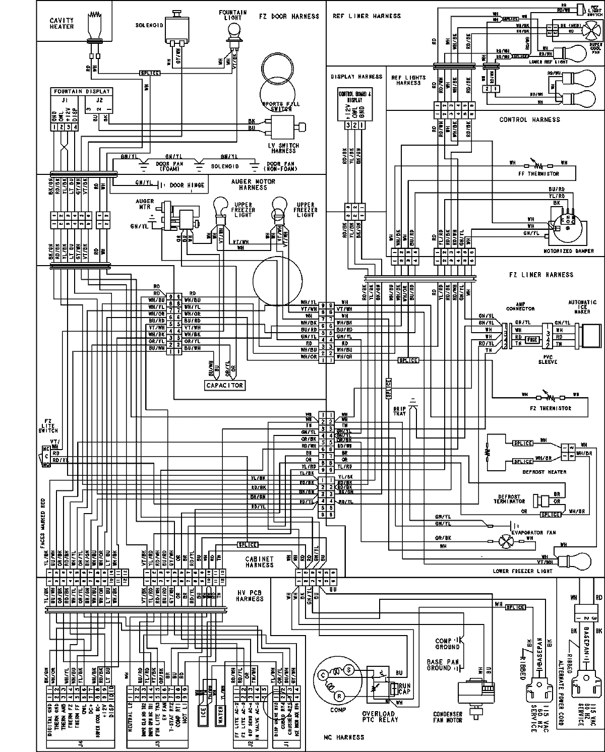
JSD2695KGB 18 – WIRING INFORMATIONadmin2025-04-26T09:13:10+00:00JSD2695KGB 18 – WIRING INFORMATION ProductsPositionProductNIMAY 15003911