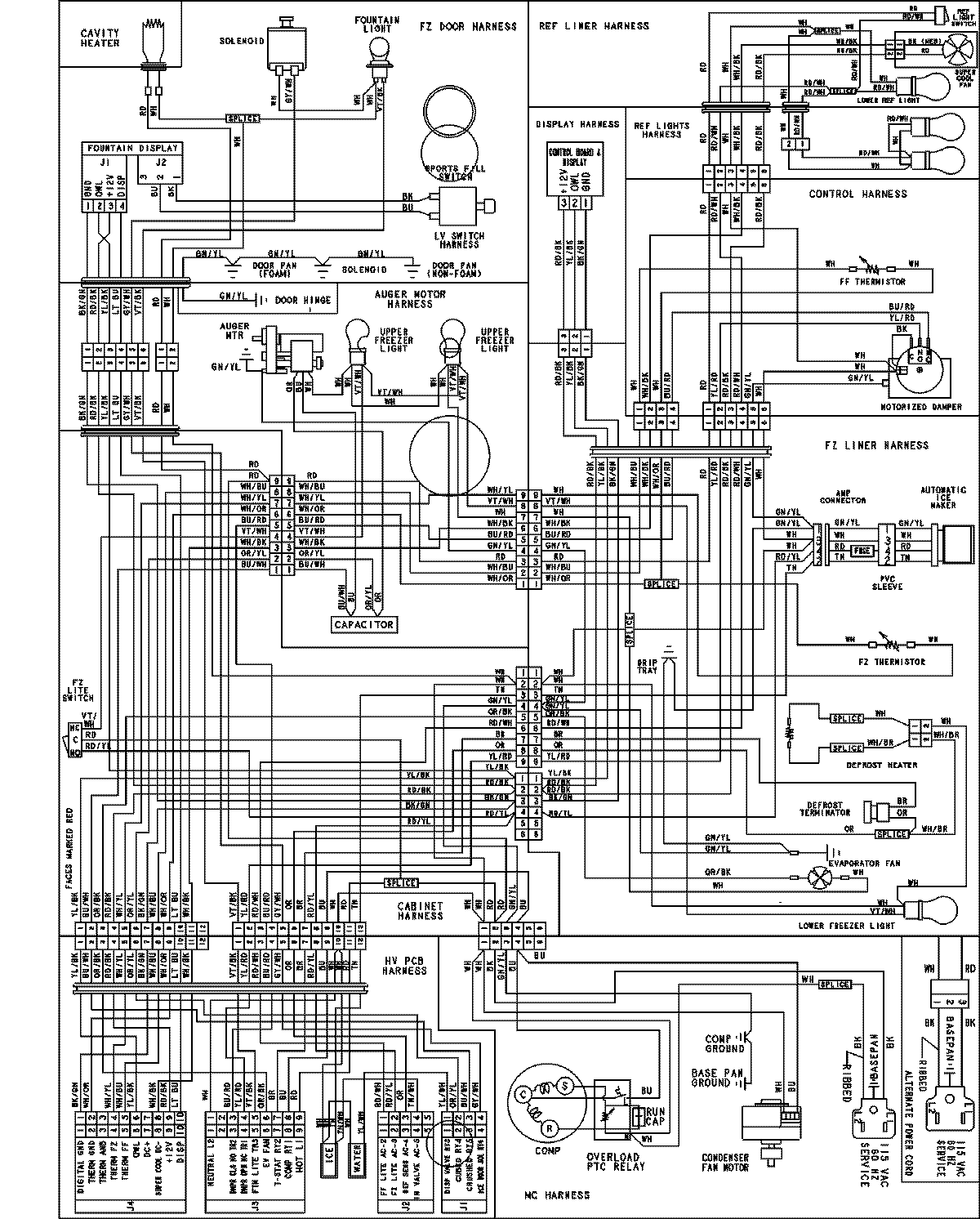
JSD2697KEY 20 – WIRING INFORMATION (SERIES 12)admin2025-04-26T09:14:26+00:00JSD2697KEY 20 – WIRING INFORMATION (SERIES 12) ProductsPositionProductNIMAY 15003911