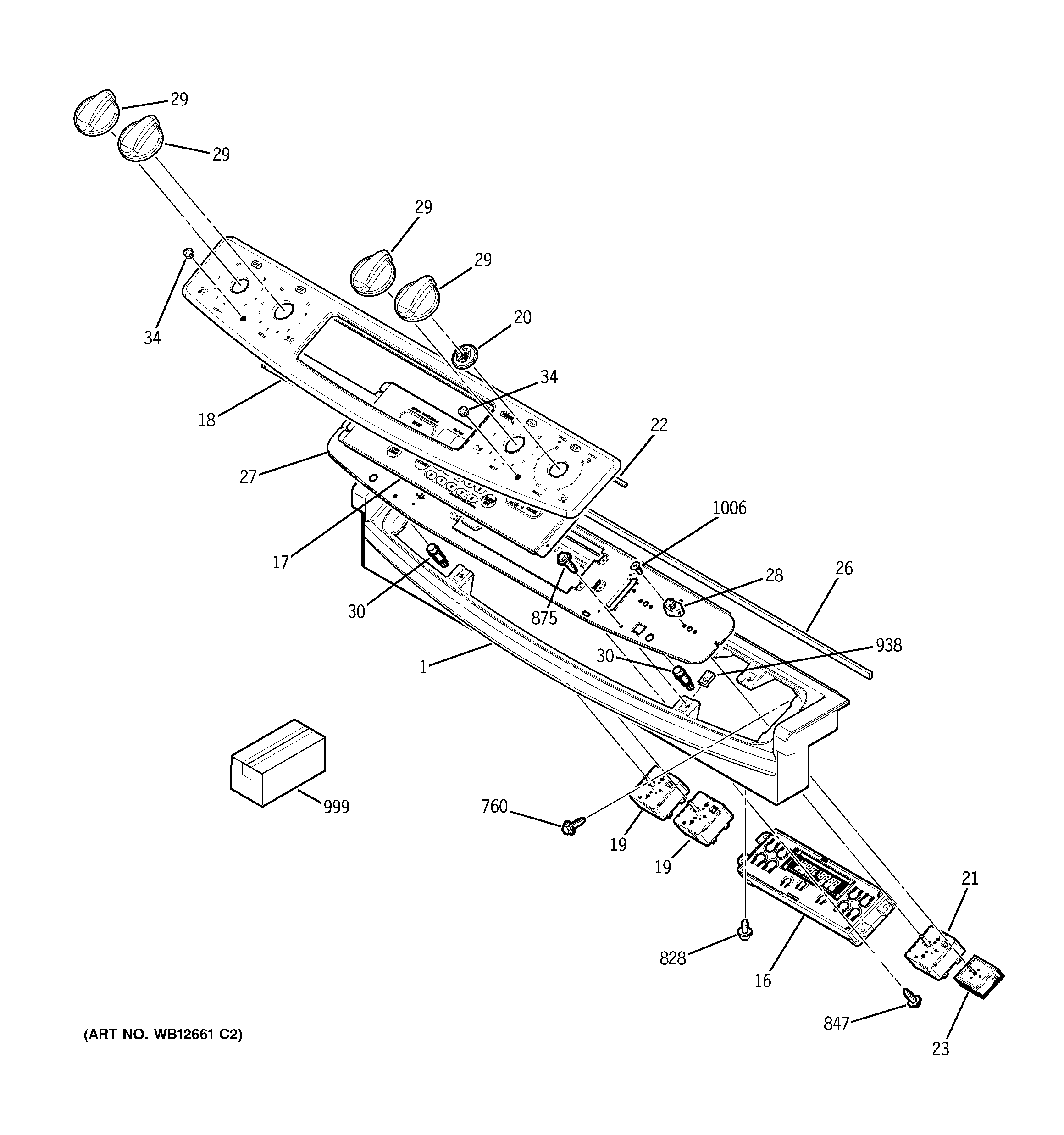
JSP42BK3BB CONTROL PANEL