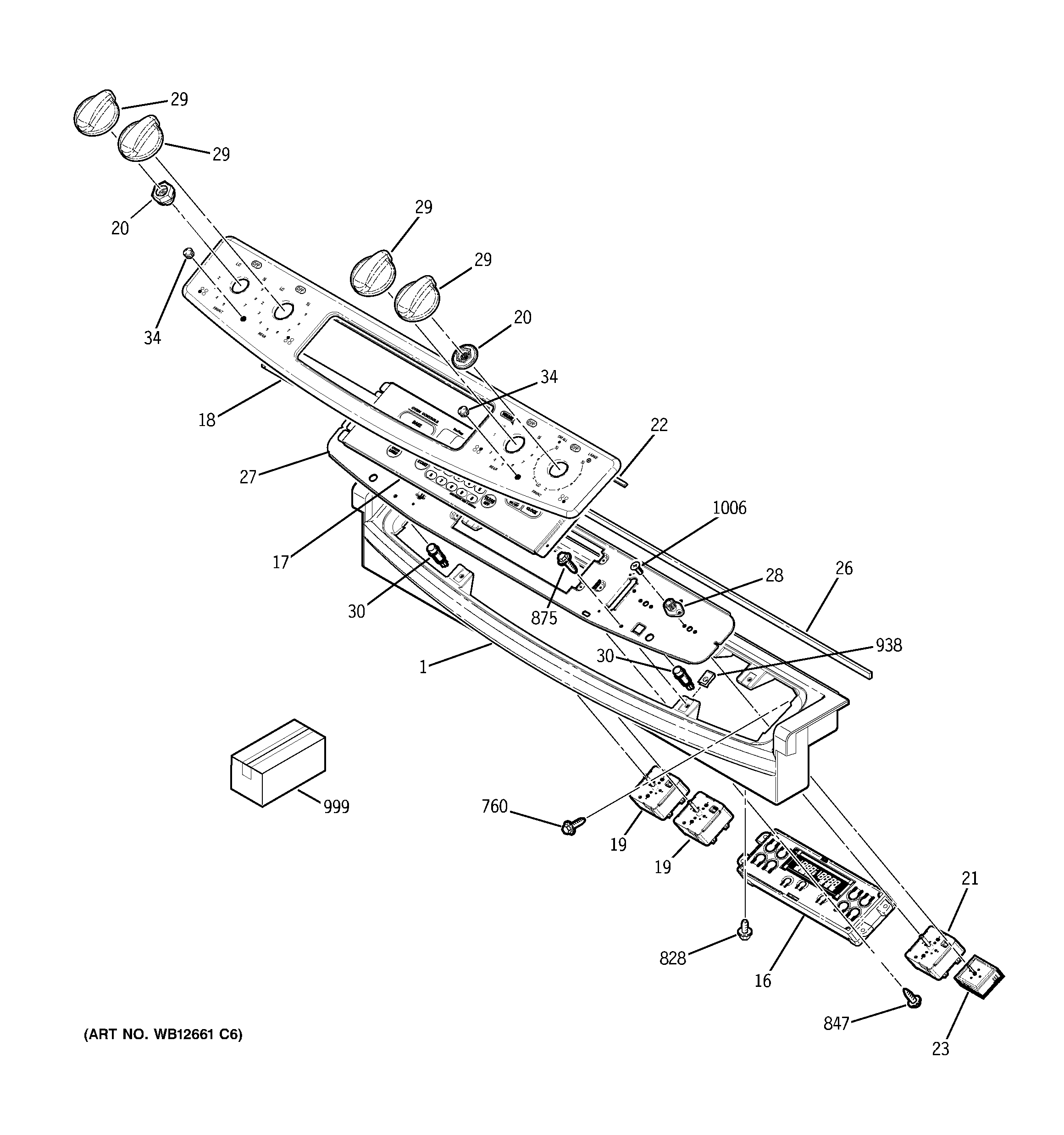
JSP42SN1SS CONTROL PANEL