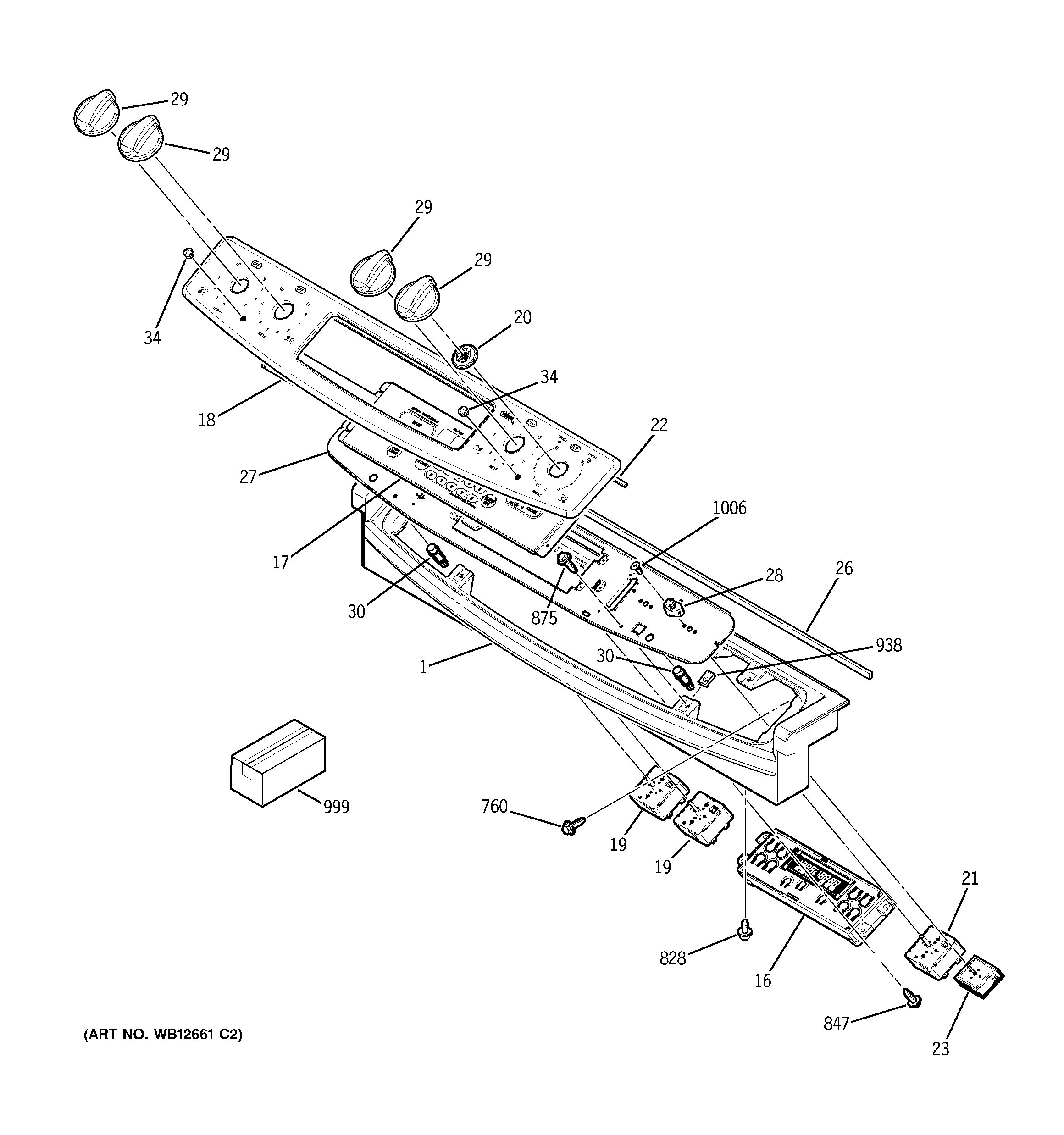
JSP42WK1WW CONTROL PANEL