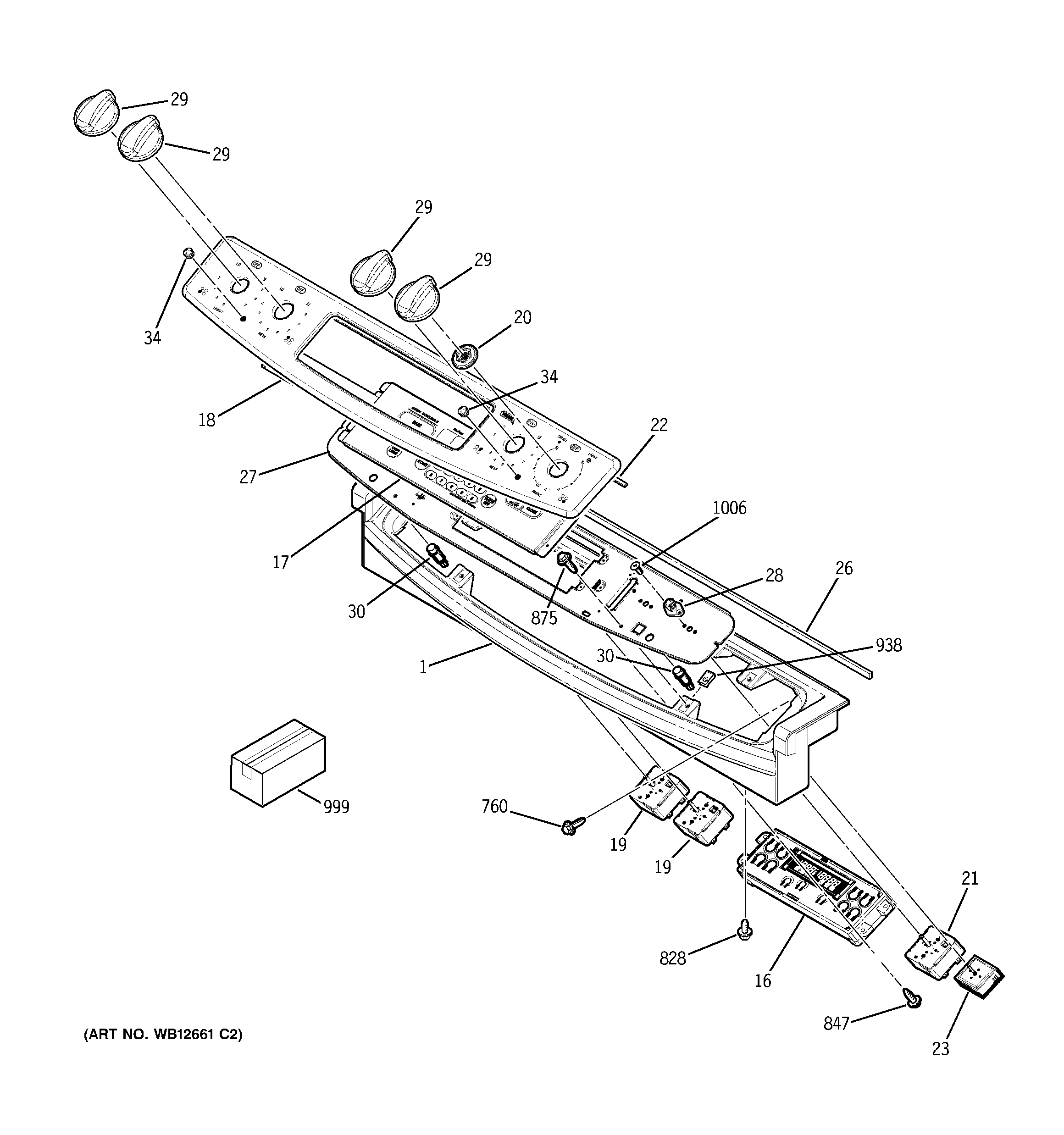
JSP47BF3BB CONTROL PANEL