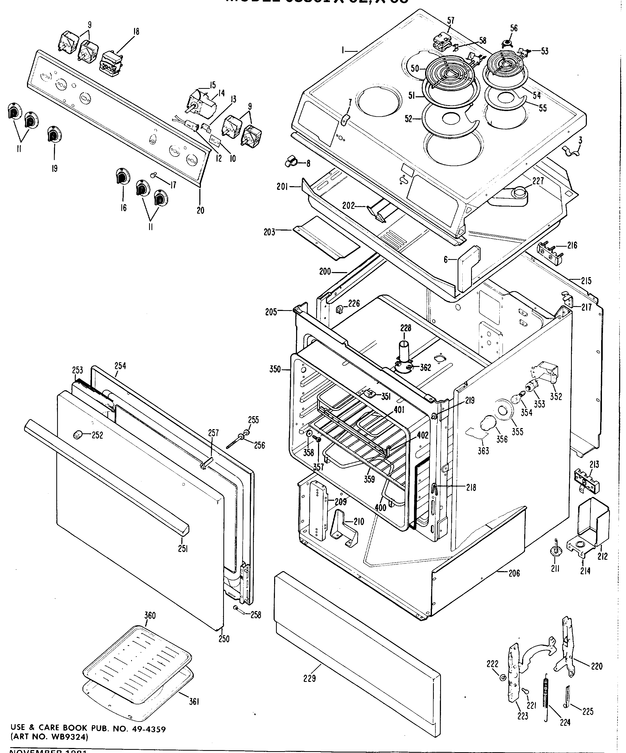
| 32767 | SWITCH, OVEN LIGHT |
| 32767 | WB21X36771 GE Surface Element Switch |
| 32767 | WB30X359 GE Oven Range Stove 6" Surface Element Burner Unit |
| 32767 | WB30X348 GE Oven 8" Surface Unit Element with Screw |
| 32767 | BAKE ELEMENT SELF CLEAN |
| 32767 | THERMOSTAT, L.O. |
| 32767 | GEN WB22X5097 |