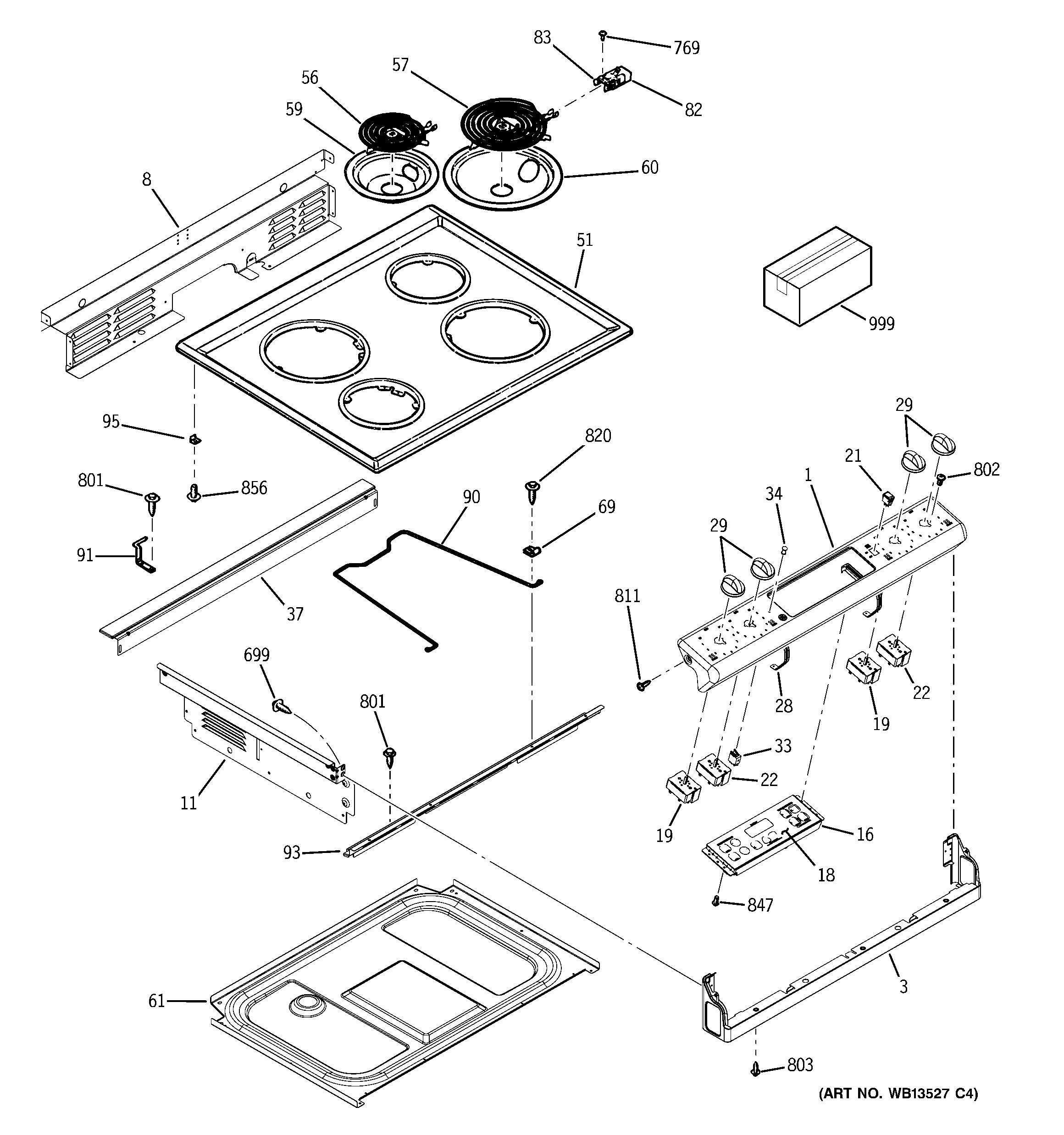
JSS28CK4CC CONTROL PANEL & COOKTOPadmin2025-04-26T08:46:56+00:00JSS28CK4CC CONTROL PANEL & COOKTOP ProductsPositionProduct1GEN WB36T107943GEN WB36T107938GEN WB07K1015511WB07T10474 GE Oven Extension Side Left11WB07T10473 GE Oven Right Side Extension16CONTROL OVEN TO9 (ELEC)18GEN WB27T1065719WB24T10025 SWITCH INFIN(2500W)21WB24T10053 GE Oven Rocker Switch22WB24T10029 GE Oven Infinite Burner Switch28WB02T10267 GE Oven Control Bracket29GEN WB03T1023433WB25K10010 GE Oven Light Indicator Pilot34LENS37GEN WB07K1015651MAINTOP BQ56WB30X24401 GE Oven Surface Element Coil57WB30T10074 GE Oven 8" Burner Unit 2600W59WB31T10010 GE Oven 6" Chrome Burner Drip Bowl60WB31T10011 GE Oven 8" Chrome Drip Bowl Burner61WB64T10052 GE Bottom Burn Box69WB2M87 GE Oven Support Rod Clamp82WB17T10006 GE Oven Burner Receptacle Block83RECEPTACLE W/CLIP90WB02T10268 GE Main Top Support Rod91WB14T10027 GE Maintenance Top Right91WB14T10028 GE Maintop Hinge93WB34T10105 GE Oven Wire Cover95WB10X255 GE Oven Hinge Bracket699WB1M1 GE Oven Screw769WB1X500D GE Oven Screw Package802GEN WB01K5123803WB01T10095 GE Oven Screw 10-32 HWH I 13/16811WB01T10094 GE Oven Screw 8-32 PN 1/2820WB1X1424D GE Oven Screw Package847WB1K5167 GE Screw 8-18 X 3/8"847WB1X1118 GE Oven Screw 6-32T856WB1X1293 GE Oven Screw999GEN 31-14263999GEN 31-10596999GEN 31-10651999GEN 31-10574999GEN 31-10514999GEN 49-80481