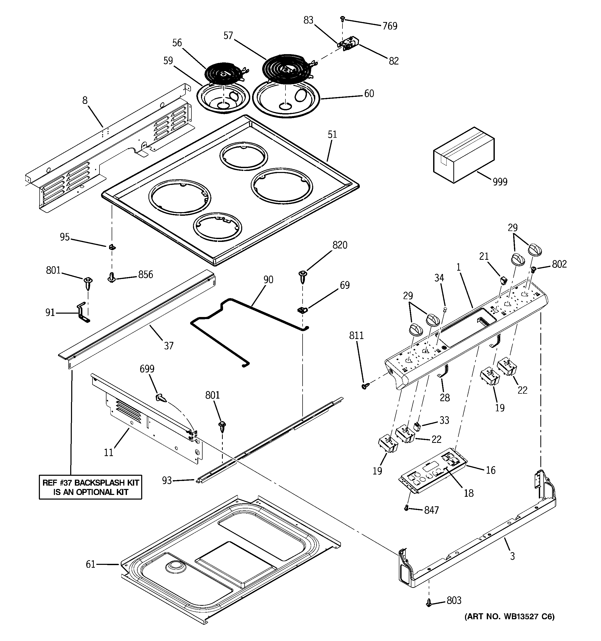
JSS28DN3BB CONTROL PANEL & COOKTOP

JSS28DN3BB CONTROL PANEL & COOKTOP