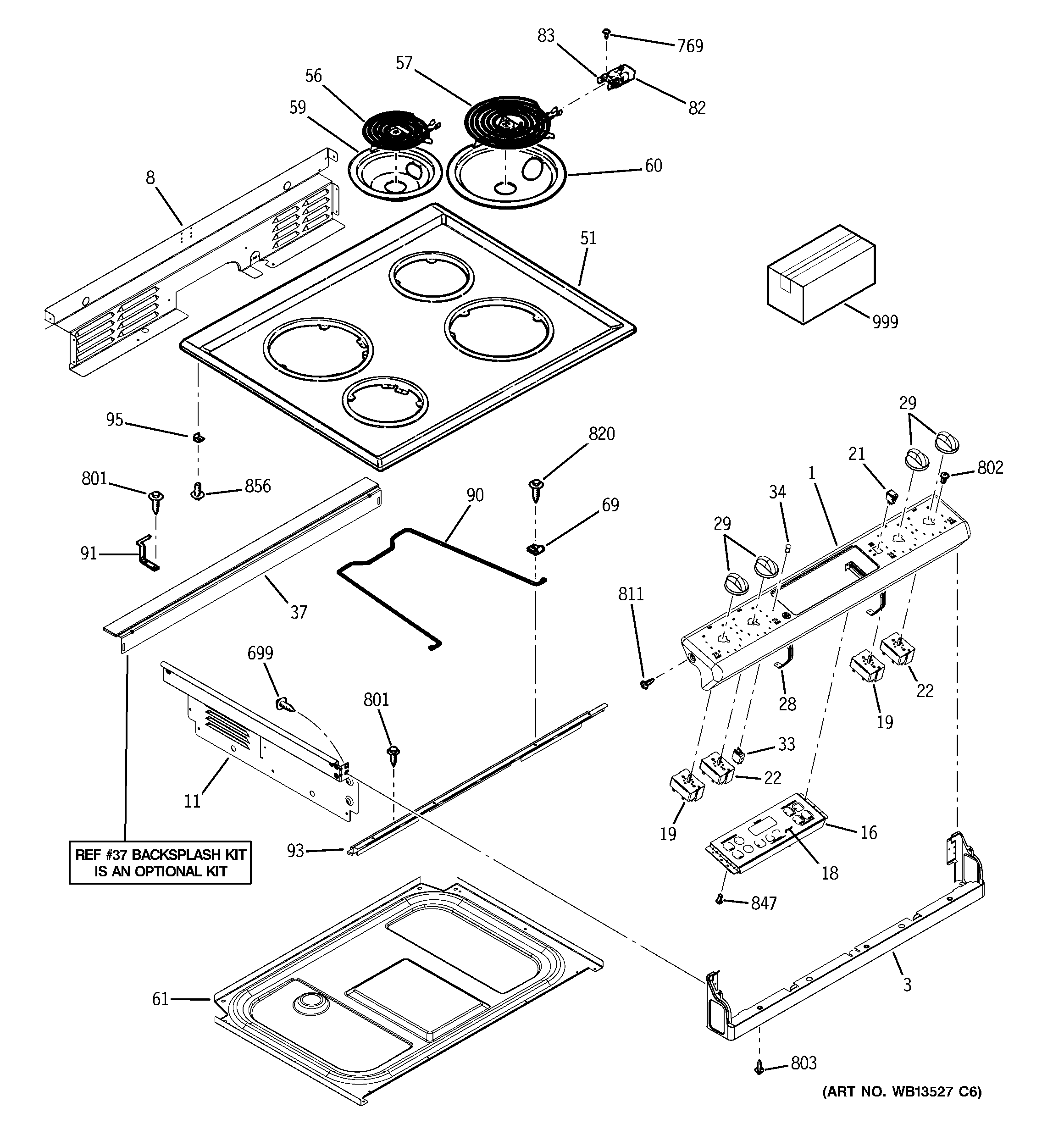
JSS28DN3CC CONTROL PANEL & COOKTOPadmin2025-04-26T08:46:32+00:00JSS28DN3CC CONTROL PANEL & COOKTOP ProductsPositionProduct1GEN WB36T111961GEN WB36T111933GEN WB36T107933WB36T10792 GE Control Panel Bottom8GEN WB07K1015511WB07T10474 GE Oven Extension Side Left11WB07T10473 GE Oven Right Side Extension16CONTROL OVEN TO9 (ELEC)18GEN WB27T1108918GEN WB27T1109119WB24T10025 SWITCH INFIN(2500W)21WB24T10042 GE Oven Rocker Switch21WB24T10053 GE Oven Rocker Switch22WB24T10029 GE Oven Infinite Burner Switch28WB02T10267 GE Oven Control Bracket29KNOB INFINITE (BK)29WB03T10285 GE Oven Infinite Control Knob33WB25K10010 GE Oven Light Indicator Pilot34LENS37KIT BACKSPLASH (BK)37OPTIONAL BACKSPLASH KIT51WB62T10425 GE Oven Maintop51MAINTOP BQ56WB30X24401 GE Oven Surface Element Coil57WB30T10074 GE Oven 8" Burner Unit 2600W59WB31T10010 GE Oven 6" Chrome Burner Drip Bowl60WB31T10011 GE Oven 8" Chrome Drip Bowl Burner61WB64T10052 GE Bottom Burn Box69WB2M87 GE Oven Support Rod Clamp82WB17T10006 GE Oven Burner Receptacle Block83RECEPTACLE W/CLIP90WB02T10268 GE Main Top Support Rod91WB14T10028 GE Maintop Hinge91WB14T10027 GE Maintenance Top Right93WB34T10105 GE Oven Wire Cover95WB10X255 GE Oven Hinge Bracket699WB1M1 GE Oven Screw769WB1K5167 GE Screw 8-18 X 3/8"802GEN WB01K5123803WB01T10095 GE Oven Screw 10-32 HWH I 13/16811WB01T10094 GE Oven Screw 8-32 PN 1/2820WB1X1424D GE Oven Screw Package847WB1X1118 GE Oven Screw 6-32T856WB1X1293 GE Oven Screw999GEN 31-14263999GEN 49-80591999GEN 31-10673999GEN 49-80632999GEN 31-10671999GEN 31-10651