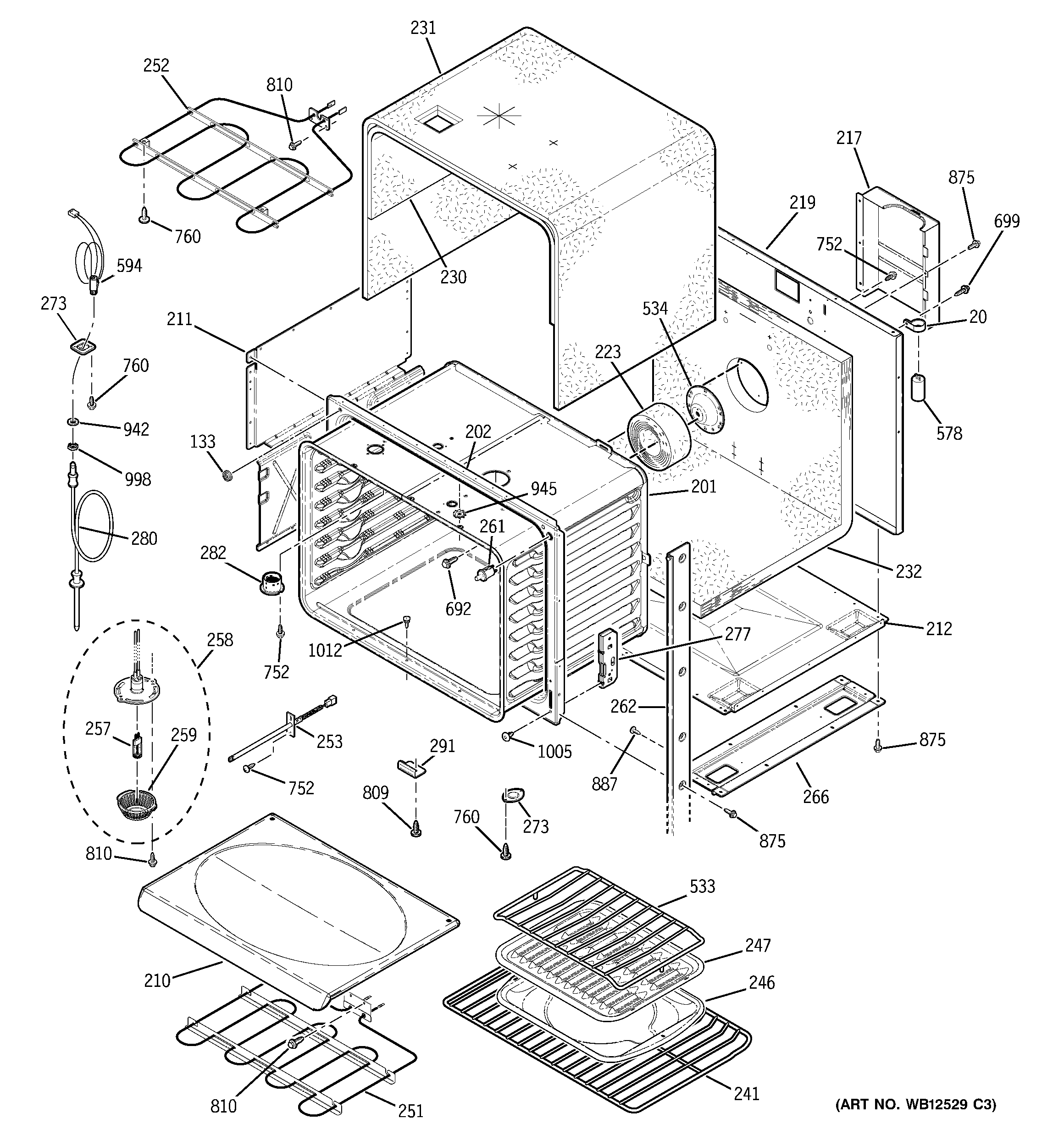
| 20 | WB02T10152 GE Oven Motor Capacitor Bracket |
| 133 | WB01T10022 GE Oven Door Bumper |
| 133 | WB03T10156 GE Oven Door Bumper |
| 201 | WRAPPER OVEN CAV ASSY LO |
| 201 | WRAPPER OVN CAV UPR |
| 202 | WB63T10083 GE Front Lower Frame |
| 210 | WB63T10034 GE Oven Bottom |
| 211 | GEN WB02K5306 |
| 212 | GEN WB02T10143 |
| 217 | GEN WB34T10055 |
| 219 | GEN WB56T10136 |
| 230 | GEN WB35T10073 |
| 231 | WB35T10074 GE Oven Lower Insulation |
| 232 | WB35T10090 GE Oven Back & Bottom Insulation |
| 241 | WB48T10021 GE Oven Rack |
| 241 | RACK OVEN |
| 246 | WB48X10056 GE Broil Pan Set, Large Porcelain |
| 251 | BAKE ELEMENT |
| 252 | WB44T10043 GE Oven Broil Unit Assembly |
| 253 | WB23T10015 GE Oven Sensor Probe |
| 257 | WB49X29679 GE Range Halogen Bulb Kit |
| 258 | GEN WB25T10026 |
| 259 | WB25T10027 GE Oven Lens Lamp |
| 261 | GEN WB24T10065 |
| 261 | GEN WB24T10111 |
| 266 | WB02K10048 GE Base Rail |
| 273 | GEN WB02X8309 |
| 273 | PROBE COVER |
| 273 | GEN WB02K5365 |
| 277 | GEN WB10T10053 |
| 280 | WB20T10024 GE Oven Thermistor Probe |
| 282 | WB38X33650 GE Vent Tube |
| 282 | GEN WB28T10083 |
| 282 | GEN WB28T10074 |
| 291 | GEN WB02X9152 |
| 533 | WB48X5108 GE Oven Roasting Rack |
| 534 | WB26T10015 GE Oven Cavity Support |
| 578 | GEN WB27T10503 |
| 578 | CAPACITOR MOTOR |
| 594 | GEN WB08T10018 |
| 692 | SCREW |
| 699 | WB1M1 GE Oven Screw |
| 752 | WB1K5200 GE Oven Screw 340531 |
| 760 | WB1X536 GE Oven Screw |
| 809 | WB1X1137 GE Oven Screw |
| 810 | WB1X1130 GE Oven Screw 10-32 |
| 875 | WH2X930 GE Screw |
| 875 | WZ4X245D GE Screw Package |
| 887 | GEN WB01T10033 |
| 942 | WB1X5573 GE Oven Washer |
| 945 | WB1K5046 GE Oven Washer |
| 998 | WB1X5572 GE Oven Nut |
| 1005 | WB01T10008 GE Oven Screw 10-32 |
| 1012 | WB01T10048 GE Oven Type A Shoulder Screw 10-16 |