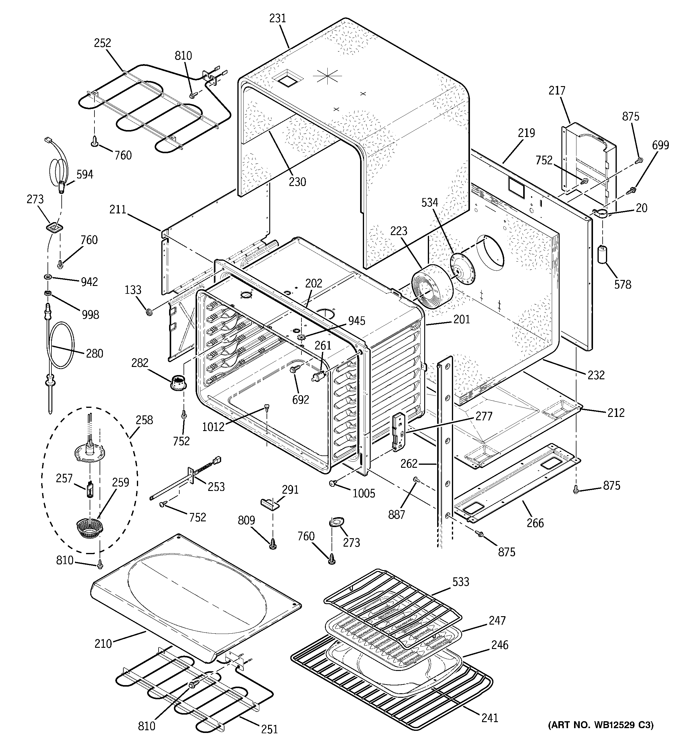
JT955SF4SS UPPER BODY

JT955SF4SS UPPER BODY

Products

PositionProduct
20WB02T10152 GE Oven Motor Capacitor Bracket
133WB03T10156 GE Oven Door Bumper
133WB01T10052 GE Oven Foam Tape
133WB01T10055 GE Oven Foam Tape
133WB01T10022 GE Oven Door Bumper
201WRAPPER OVEN CAV ASSY LO
201WRAPPER OVN CAV UPR
202WB63T10083 GE Front Lower Frame
210WB63T10034 GE Oven Bottom
211GEN WB02K5306
212GEN WB02T10143
217GEN WB34T10055
219GEN WB56T10136
230GEN WB35T10073
231WB35T10074 GE Oven Lower Insulation
232WB35T10090 GE Oven Back & Bottom Insulation
241WB48T10021 GE Oven Rack
241RACK OVEN
246WB48X10056 GE Broil Pan Set, Large Porcelain
251BAKE ELEMENT
252WB44T10043 GE Oven Broil Unit Assembly
253WB23T10015 GE Oven Sensor Probe
257WB49X29679 GE Range Halogen Bulb Kit
258GEN WB25T10026
259WB25T10027 GE Oven Lens Lamp
261GEN WB24T10111
261GEN WB24T10065
262TRIM VERT SDE ASM LT
262TRIM VERT SDE ASM RT
266WB02K10048 GE Base Rail
273PROBE COVER
273GEN WB02K5365
273GEN WB02X8309
277GEN WB10T10053
280WB20T10024 GE Oven Thermistor Probe
282GEN WB28T10083
282GEN WB28T10074
282WB38X33650 GE Vent Tube
291GEN WB02X9152
533WB48X5108 GE Oven Roasting Rack
534WB26T10015 GE Oven Cavity Support
578GEN WB27T10503
578CAPACITOR MOTOR
594GEN WB08T10018
692SCREW
699WB1M1 GE Oven Screw
752WB1K5200 GE Oven Screw 340531
760WB1X536 GE Oven Screw
809WB1X1137 GE Oven Screw
810WB1X1130 GE Oven Screw 10-32
875WZ4X245D GE Screw Package
875WH2X930 GE Screw
887WB1K5173 GE Oven Screw ST 8-18 X 3/4" Black
942WB1X5573 GE Oven Washer
945WB1K5046 GE Oven Washer
998WB1X5572 GE Oven Nut
1005WB01T10008 GE Oven Screw 10-32
1012WB01T10048 GE Oven Type A Shoulder Screw 10-16