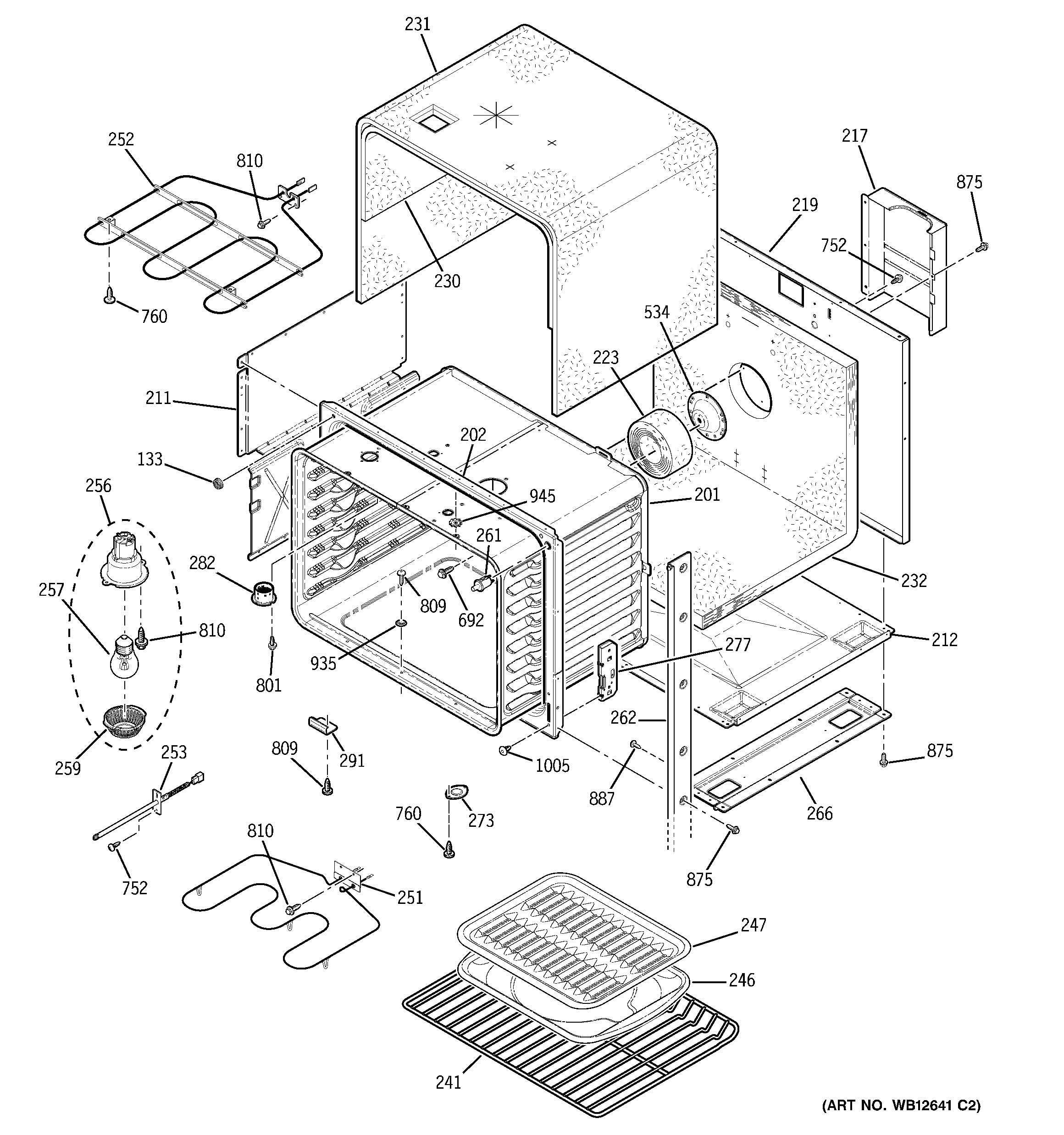
JTP28BF3BB UPPER BODY