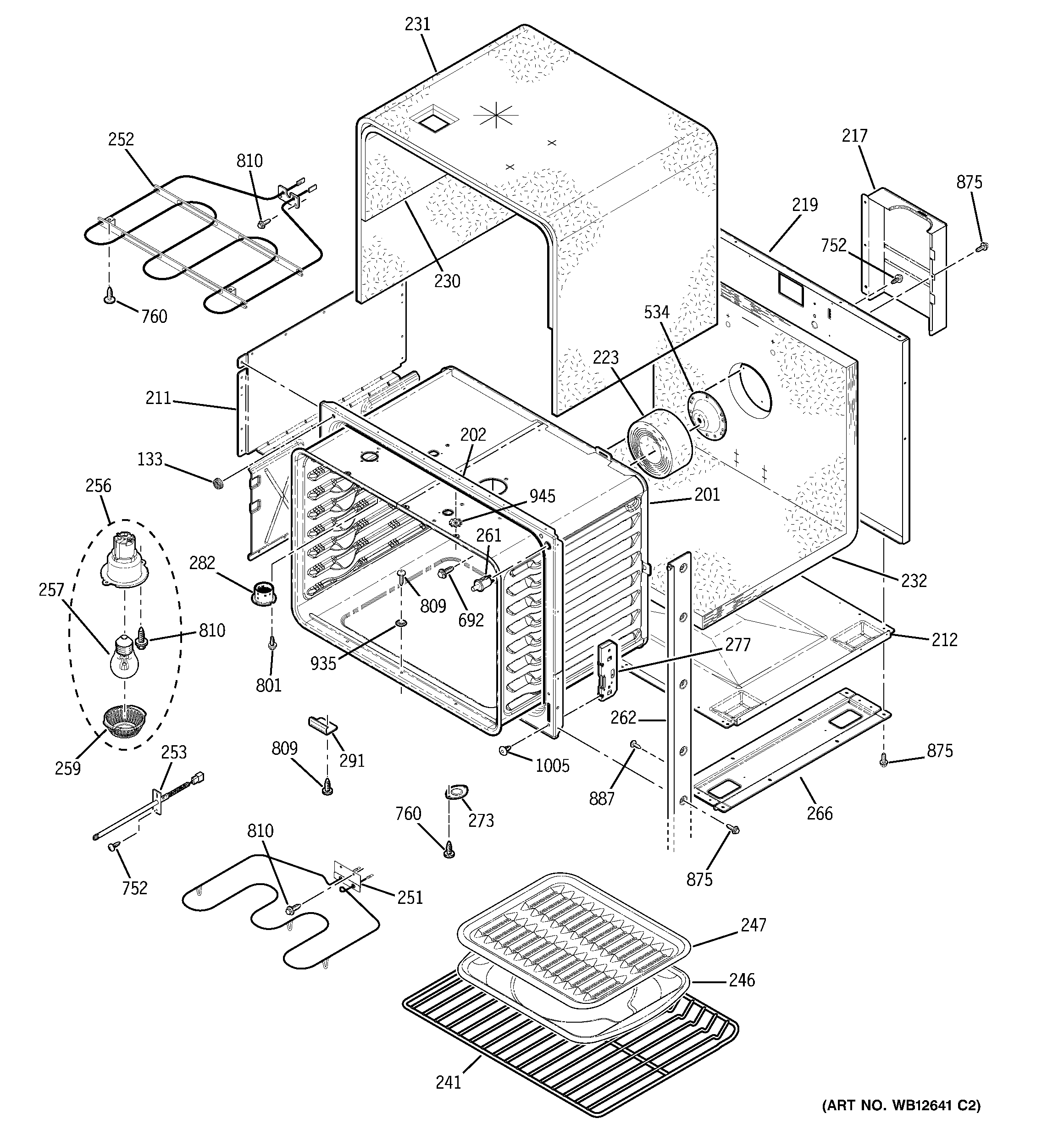
JTP28CF1CC UPPER BODY