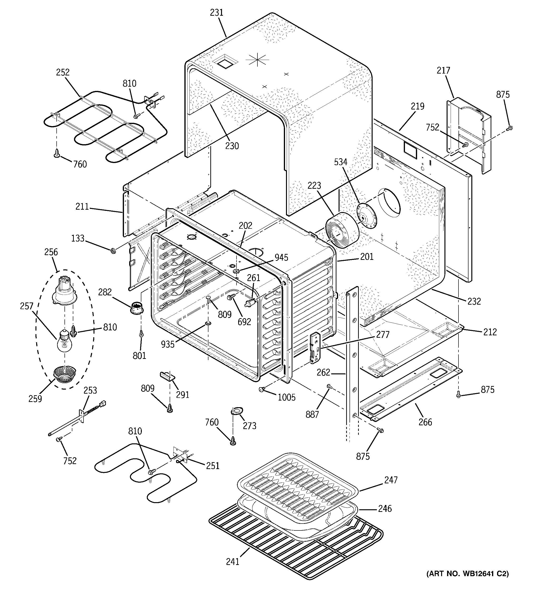
| 133 | WB03T10156 GE Oven Door Bumper |
| 133 | WB01T10022 GE Oven Door Bumper |
| 201 | WRAPPER OVN CAV UPR |
| 202 | WB63T10083 GE Front Lower Frame |
| 211 | GEN WB02K5306 |
| 212 | GEN WB02T10143 |
| 217 | GEN WB34T10055 |
| 219 | WB02X20948 GE Oven Back Insulation Retainer |
| 230 | GEN WB35T10073 |
| 231 | WB35T10074 GE Oven Lower Insulation |
| 232 | WB35T10090 GE Oven Back & Bottom Insulation |
| 241 | WB48T10095 GE Oven Rack |
| 246 | WB48X10056 GE Broil Pan Set, Large Porcelain |
| 251 | WB44T10018 GE Oven Bake Element |
| 252 | WB44T10043 GE Oven Broil Unit Assembly |
| 253 | WB23T10015 GE Oven Sensor Probe |
| 256 | WB08T10002 OVEN LAMP ASSEMBLY 40W BULB |
| 257 | RANGE ONLY 40W 120V APPL BULB |
| 259 | WB25T10002 GE Oven Bulb Lens |
| 261 | GEN WB24T10065 |
| 262 | GEN WB07T10281 |
| 262 | GEN WB07T10280 |
| 266 | WB02K10048 GE Base Rail |
| 273 | GEN WB02K5365 |
| 277 | GEN WB10T10053 |
| 282 | GEN WB28T10074 |
| 282 | WB38X33650 GE Vent Tube |
| 282 | WB28T10081 GE Lower Oven Vent Inlet Duct |
| 291 | GEN WB02T10146 |
| 534 | WB26T10015 GE Oven Cavity Support |
| 692 | SCREW |
| 752 | WB1K5200 GE Oven Screw 340531 |
| 760 | WB1X536 GE Oven Screw |
| 801 | WB1M1 GE Oven Screw |
| 809 | WB1X1137 GE Oven Screw |
| 810 | WB1X1130 GE Oven Screw 10-32 |
| 875 | WZ4X245D GE Screw Package |
| 875 | WH2X930 GE Screw |
| 887 | GEN WB01T10033 |
| 935 | WB1K5174 GE Oven Washer |
| 945 | WB1K5046 GE Oven Washer |
| 1005 | WB01T10008 GE Oven Screw 10-32 |