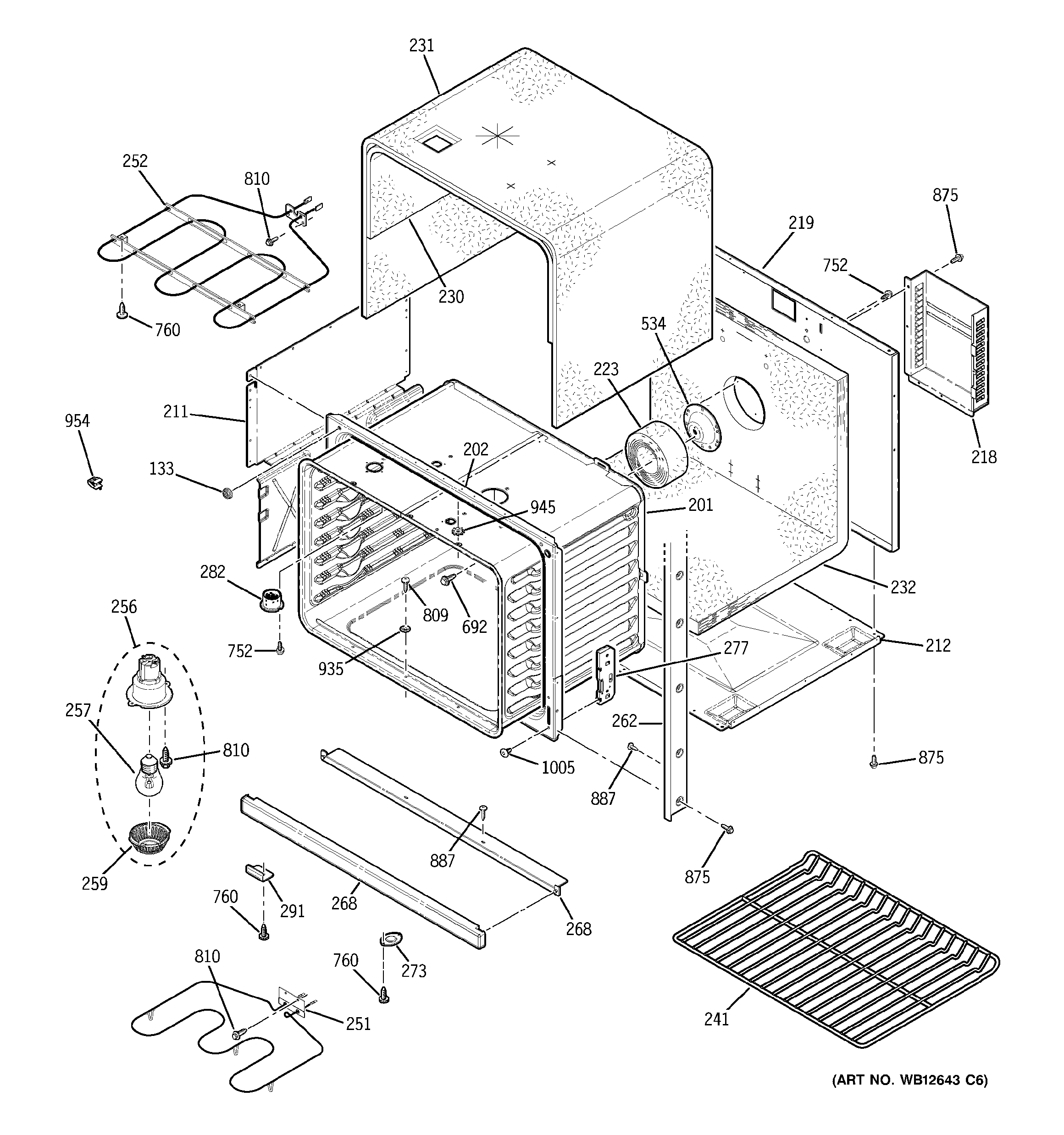
JTP28SK3SS LOWER OVEN