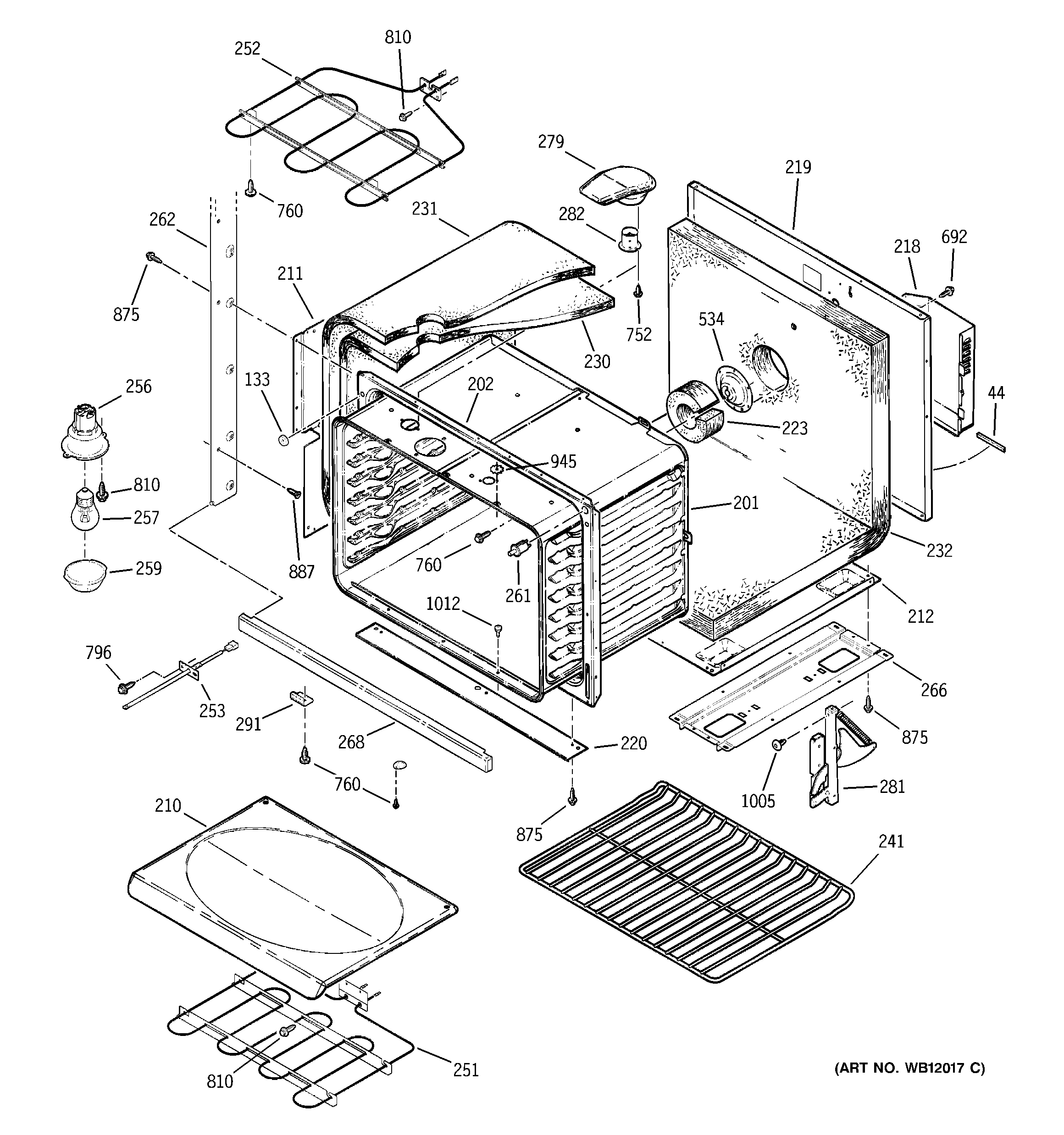
JTP56BA4BB LOWER BODY PARTSadmin2025-04-26T08:46:53+00:00JTP56BA4BB LOWER BODY PARTS ProductsPositionProduct44GEN WB02K5225133WB02T10244 GE Oven Felt Pad133WB01T10052 GE Oven Foam Tape133WB01T10022 GE Oven Door Bumper201OVEN BODY-UPPER201GEN WB63T10068202GEN WB63T10064210WB63T10034 GE Oven Bottom211GEN WB02K5306212INSULATION RETAINER-BTM218WIRE COVER LWR RR219GEN WB56X10189219GEN WB34T10035220BTM TRIM SHIELD230GEN WB35K5118231GEN WB35K5119232WB35T10090 GE Oven Back & Bottom Insulation241WB48T10095 GE Oven Rack241GEN WB48K5022251BAKE ELEMENT252WB44T10043 GE Oven Broil Unit Assembly253WB23T10015 GE Oven Sensor Probe256WB08T10002 OVEN LAMP ASSEMBLY 40W BULB257GEN BUY-LOCAL259WB25T10002 GE Oven Bulb Lens261WB24T10147 GE Oven SPDT Light Switch262GEN WB07K5368266WB02K10048 GE Base Rail268BOTTOM TRIM-BLK279GEN WB38T10014281GEN WB14T10005281WB14T10006 GE Oven Hinge Assembly Left282GEN WB28K5010291GEN WB02X9152534GEN WB26T10003692SCREW752WB1K5200 GE Oven Screw 340531760WB1X536 GE Oven Screw796WB1K5116 GE Oven Screw810WB1X1130 GE Oven Screw 10-32875WH2X930 GE Screw887WB1K5173 GE Oven Screw ST 8-18 X 3/4" Black945WB1K5046 GE Oven Washer1005WB01T10008 GE Oven Screw 10-321012WB01T10048 GE Oven Type A Shoulder Screw 10-16