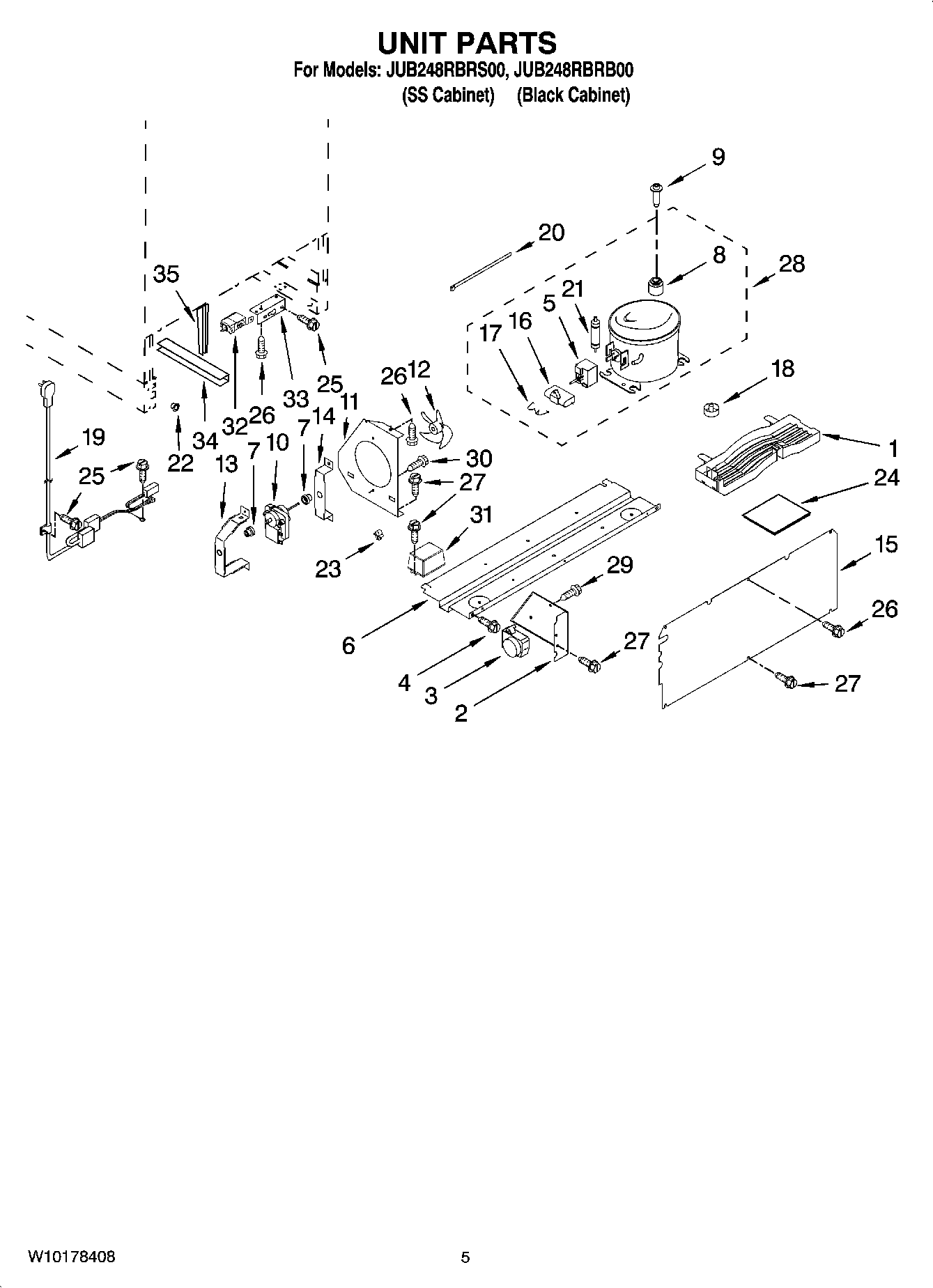
JUB248RBRB00 04 – UNIT PARTSadmin2025-04-26T09:20:33+00:00JUB248RBRB00 04 – UNIT PARTS ProductsPositionProduct1MAY W101631932MAY 43447733MAY 43447744MAY 43447975MAY 43447766MAY W101759717MAY 43447788MAY 43447799MAY 434478010MAY 434478111MAY 434478212MAY 434478313MAY 434478414MAY 434478515MAY 434478616MAY 434483717MAY 434483618MAY W1016327619MAY 434486120MAY 434482921MAY W1016327322MAY 434483823MAY 434483124Pad, Rubber25MAY 434482626MAY 434482527MAY 434483228MAY 434477529MAY 434483430MAY 434483331MAY 434486232MAY W1016327833MAY 434486434MAY 434490735MAY 4344908