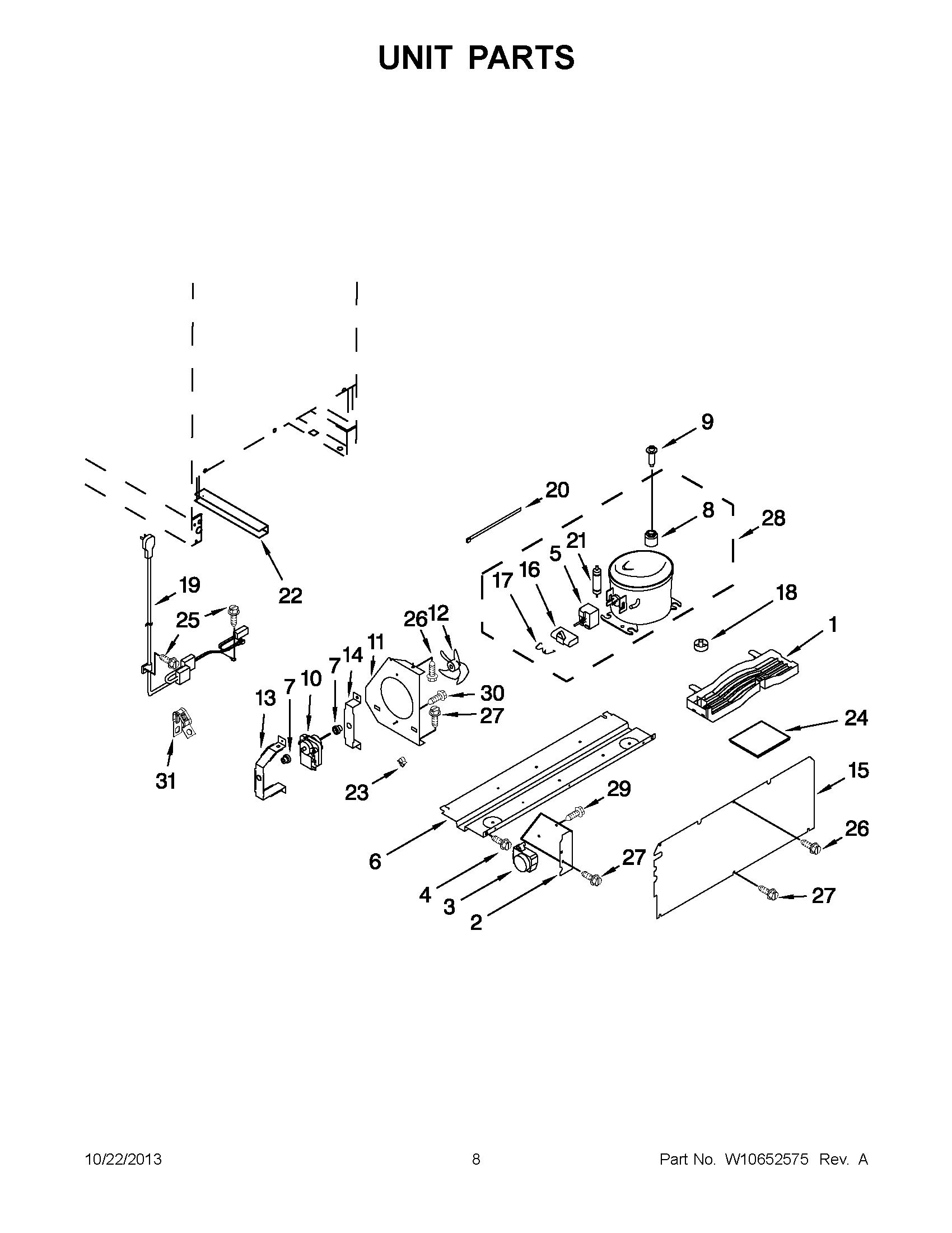
JUB24FLARS00 05 – UNIT PARTS