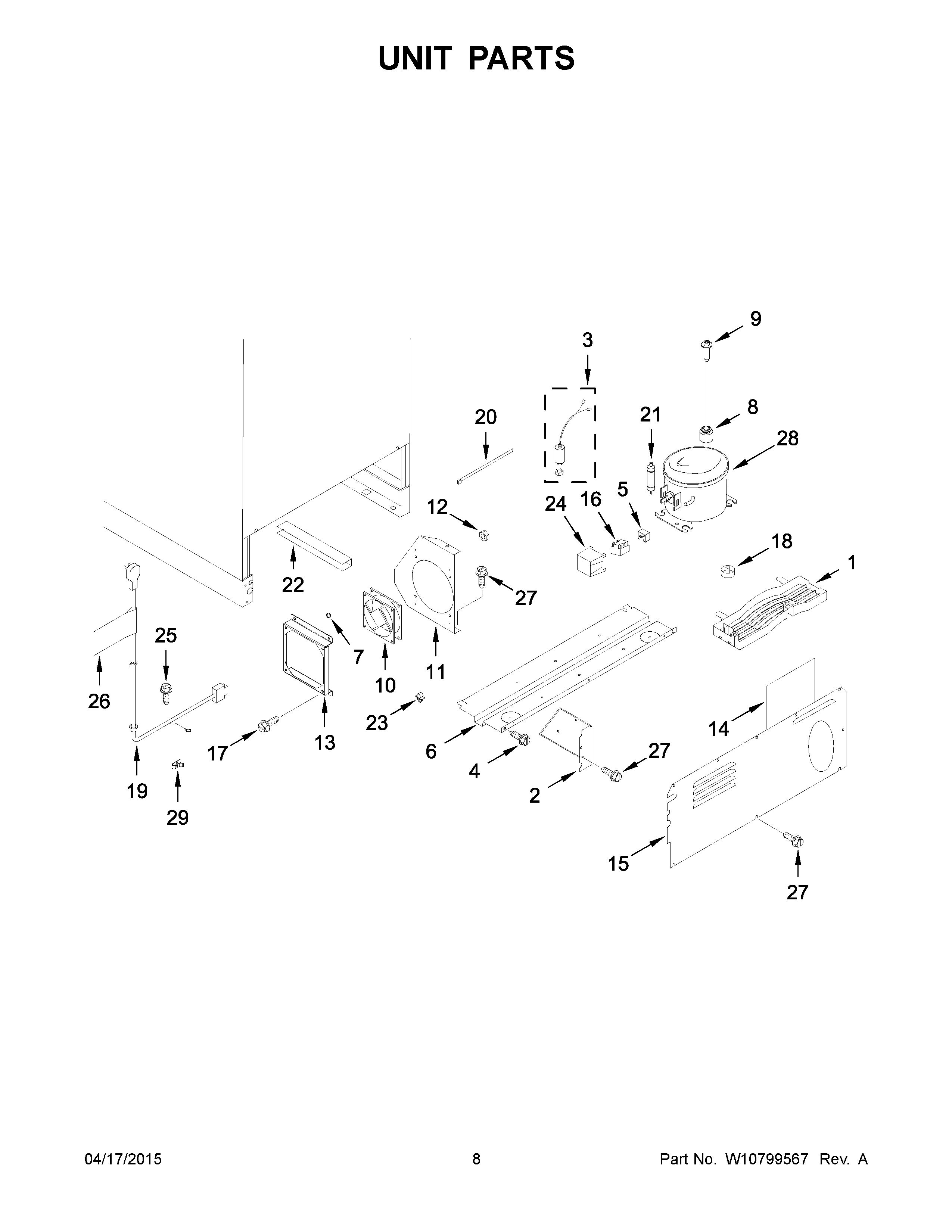
JUG24FRERS00 05 – UNIT PARTSadmin2025-04-26T09:24:12+00:00JUG24FRERS00 05 – UNIT PARTS ProductsPositionProductNILINER (NOT A SERVICEABLE PART)1MAY W107728792MAY 43447733MAY W107728954MAY 43447975MAY W107803616MAY W107728777MAY W102046888MAY 43447799MAY W1077287310MAY W1077288211MAY W1020467412NUT13MAY W1077288914SEAL, COLD AIR STOP15MAY W1079644516MAY W1028784817MAY W1077288618MAY W1016327619MAY W1020467620MAY 434482921MAY W1016327322MAY 434490723MAY W1023802224MAY W1077288525MAY 434482626MAY 434491327MAY 434483228MAY W1078036229MAY W10281591