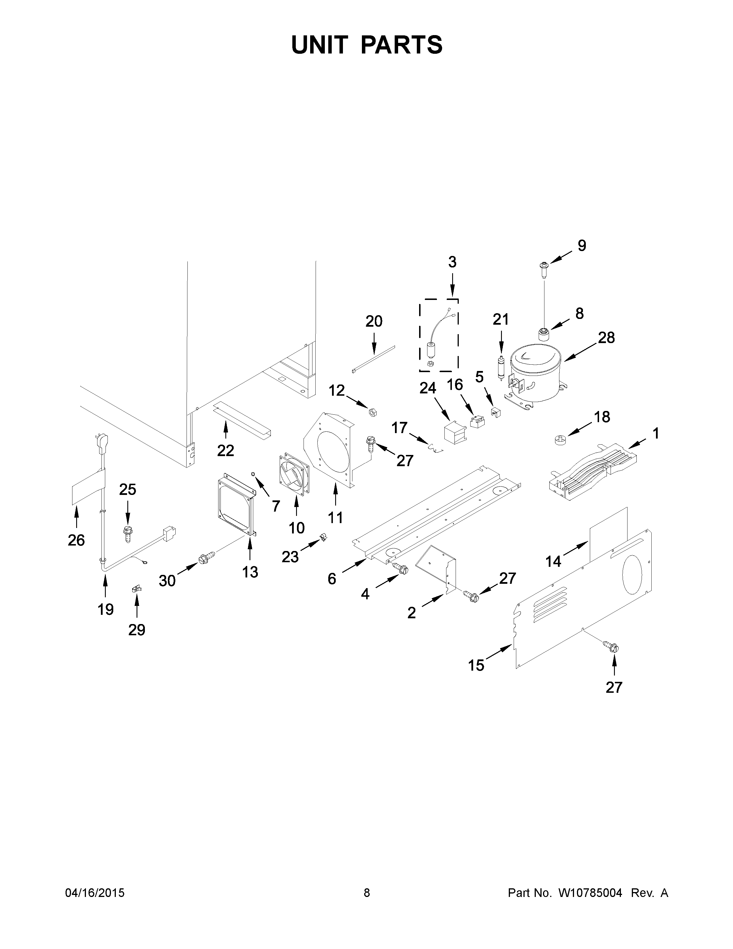
JUR24FLECX00 05 – UNIT PARTSadmin2025-04-26T09:24:44+00:00JUR24FLECX00 05 – UNIT PARTS ProductsPositionProductNILINER (NOT A SERVICEABLE PART)1DRAIN PAN2MAY 43447733MAY W107789694MAY 43447975MAY W107789656MAY W107728777MAY W102046888MAY 43447799MAY W1077287310MAY W1077288211MAY W1020467412NUT13MAY W1077288914SEAL, COLD AIR STOP15MAY W1079644516MAY W1077896617MAY W1077897118MAY W1016327619MAY W1020467620MAY 434482921MAY W1016327322MAY 434490723MAY W1023802224MAY W1077896725MAY 434482626MAY 434491327MAY 434483228MAY 434477529MAY W1028159130MAY W10772886