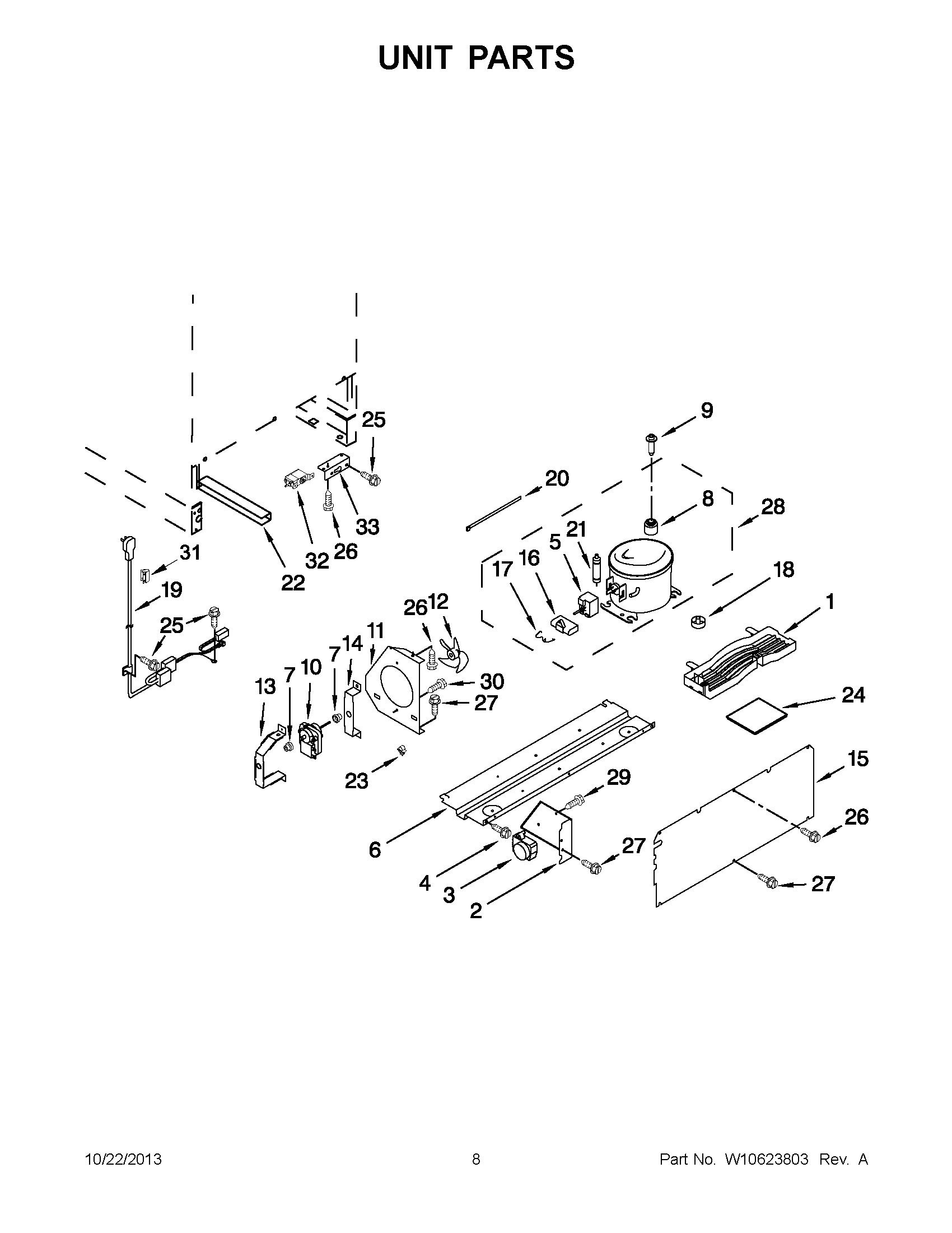
JUW24FLARS00 05 – UNIT PARTSadmin2025-04-26T09:27:04+00:00JUW24FLARS00 05 – UNIT PARTS ProductsPositionProductNILINER (NOT A SERVICEABLE PART)1MAY W101631932BRACKET, DEFROST TIMER3MAY W102393904MAY 43447975MAY 43447766MAY W102380667MAY 43447788MAY 43447799MAY 434478010FAN MOTOR, CONDENSER11MAY W1062281812MAY W1029908113MAY 434478414MAY 434478515MAY 434478616MAY 434483717MAY 434483618MAY W1016327619MAY W1020467620MAY 434482921MAY W1016327322MAY 434490723MAY W1023802224Pad, Rubber25MAY 434482626MAY 434482527MAY 434483228MAY 434477529MAY 434483430MAY 434483331MAY W1028159132MAY W1062418533MAY 4344864