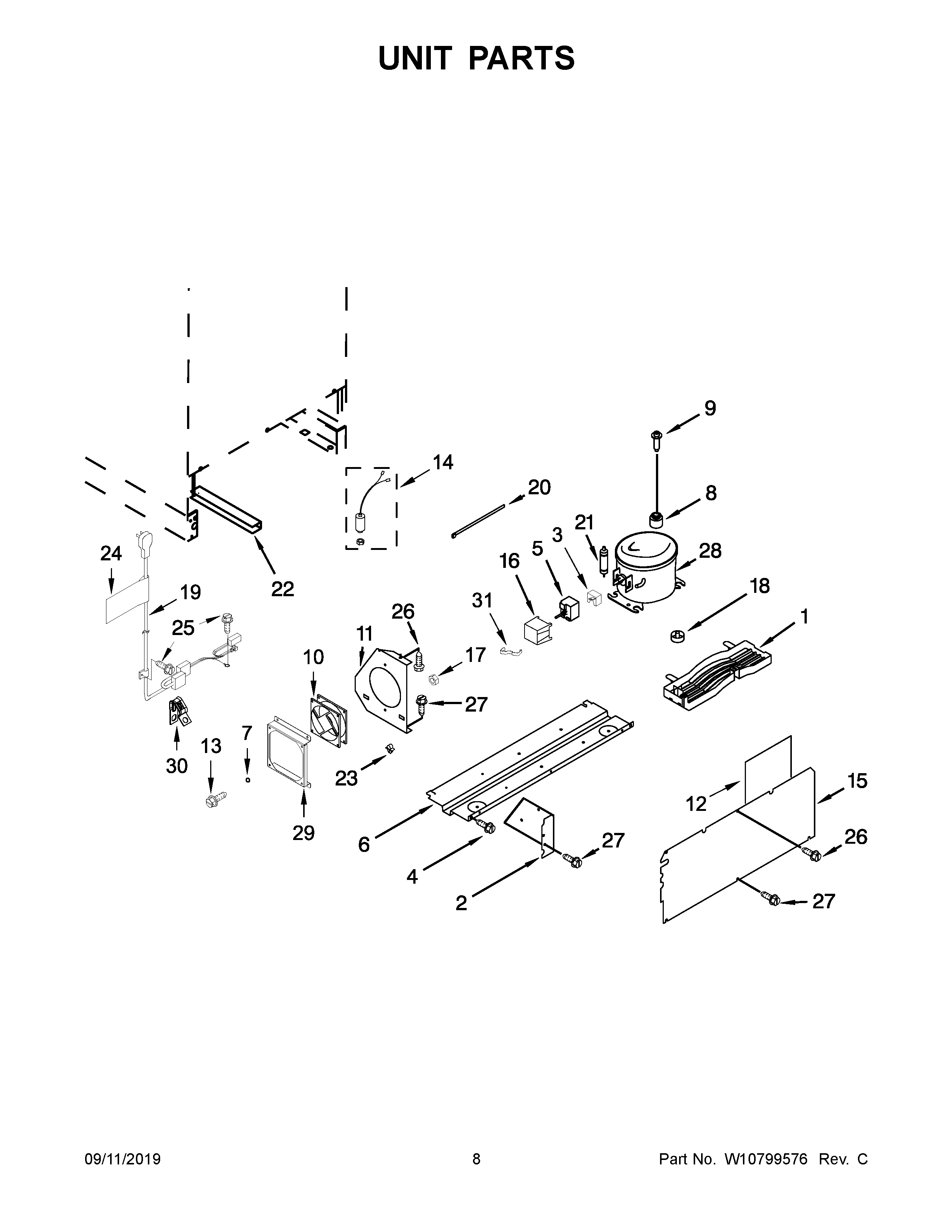
JUW24FRECX00 05 – UNIT PARTSadmin2025-04-26T09:23:43+00:00JUW24FRECX00 05 – UNIT PARTS ProductsPositionProductNILINER (NOT A SERVICEABLE PART)1DRAIN PAN2MAY 43447733MAY W107789654MAY 43447975MAY W107789666MAY W107728777MAY W102046888MAY 43447799MAY W1077287310MAY W1077288211MAY W1020467412MAY W1077896313MAY W1077288614MAY W1077896915MAY W1079644516MAY W1077896717NUT18MAY W1016327619MAY W1020467620MAY 434482921MAY W1016327322MAY 434490723MAY W1023802224MAY 434491325MAY 434482626MAY 434482527MAY 434483228MAY 434477529MAY W1077288930MAY W1028159131MAY W10778971