JV020080 02 – WASHER/DRYER CONTROL PANELadmin2025-04-26T09:35:03+00:00JV020080 02 – WASHER/DRYER CONTROL PANEL
Products
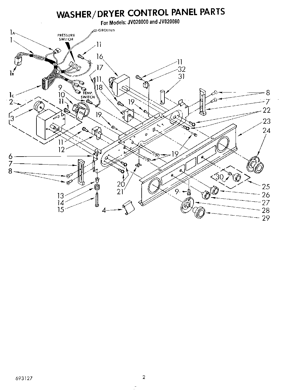
| Position | Product |
|---|
| 1 | W10876590 Whirlpool Connector |
| 1 | Harness, Console Wiring (Automatic) (Includes Illus.1A, 1B & 1C) |
| 1 | 696073 Whirlpool Connector |
| 1 | Plug |
| 2 | WP3946432 Whirlpool Timer |
| 3 | Motor, Timer |
| 4 | WPL 686768 |
| 6 | Bracket, Control |
| 7 | End Cap, Console (L.H. & R.H.) |
| 8 | NAMEPLATE |
| 9 | WP694091 Whirlpool Screw |
| 10 | Switch, Water Level |
| 11 | WP3390631 Whirlpool Screw |
| 12 | Switch, Water Temperature |
| 13 | 693711 Whirlpool Sleeve |
| 14 | WP693151 Whirlpool Lock Spring |
| 15 | Screw, Console Lock (2) |
| 16 | WP3388255 Whirlpool Timer |
| 17 | Strut, Console |
| 18 | Switch, Push-To-Start |
| 19 | 693152 Whirlpool Bumper |
| 20 | WP356418 Whirlpool Screw |
| 21 | 694037 Whirlpool Clip |
| 22 | 303776 Whirlpool Dishwasher Screw |
| 23 | Panel, Control |
| 24 | Knob & Skirt, Dryer Timer |
| 25 | Button, Push-To-Start |
| 26 | Knob & Clip, Water Level |
| 27 | Knob & Clip, Water Temp. |
| 28 | Dial, Timer |
| 29 | WPL 3347726 |
| 30 | WP688805 Whirlpool Spring Clip |
| 31 | WP692983 Whirlpool Console Lock |
| 32 | WP694419 Whirlpool Buzzer Adjuster |