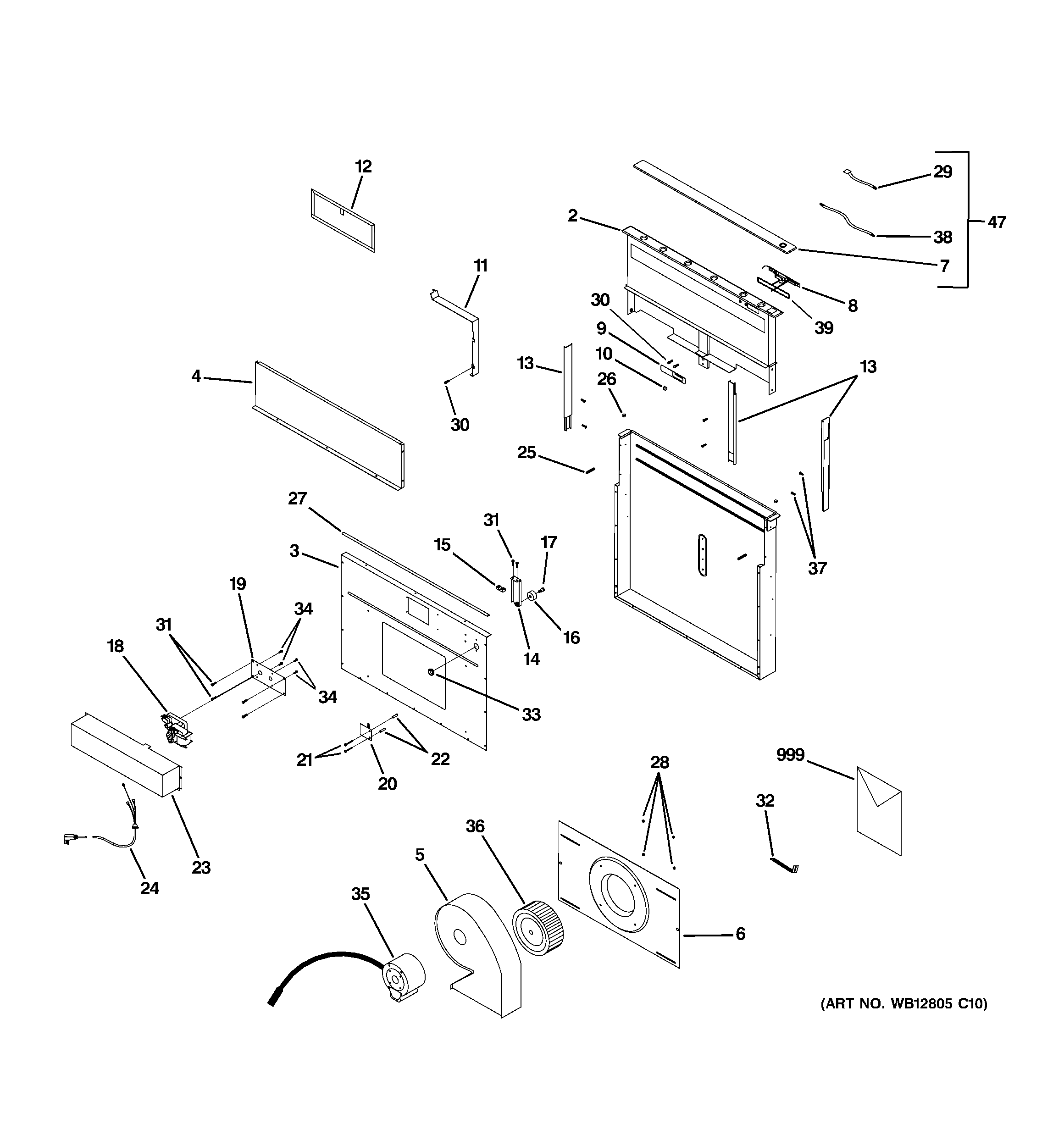
JVB37H1WW HOOD PARTS